Yamaha Outboard Parts - Fuel Tank - FT9.9AMH (1989) | Flood Marine
New Search
Parts
New Outboards
Home
FT9.9AMH (1989)
Fuel Tank
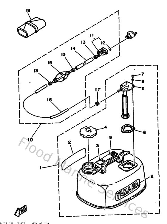
Diagram: Fuel Tank
Parts List
Reference
Description
Price
4
6Y0246100000
Cap assembly
Loading…
↗
6
663242680000
Gasket, housing fuel meter
Loading…
↗
7
985860501600
Screw, pan head
Loading…
↗
8
6Y1243290000
Seal
Loading…
↗
11
6G1243050500
Fuel pipe joint comp. 2
Loading…
↗
12
932100828700
O-ring (655)
Loading…
↗
13
650243510100
Band 1
Loading…
↗
14
9044511M7800
Hose (l1000)
Loading…
↗
15
6Y1243600200
Primer pump assembly
Loading…
↗
16
9044511M7900
Hose (l3000)
Loading…
↗
18
676W28100000
Tool kit
Loading…
↗