Yamaha Outboard Parts - Generator - 25JETO (1987) | Flood Marine
New Search
Parts
New Outboards
Home
25JETO (1987)
Generator
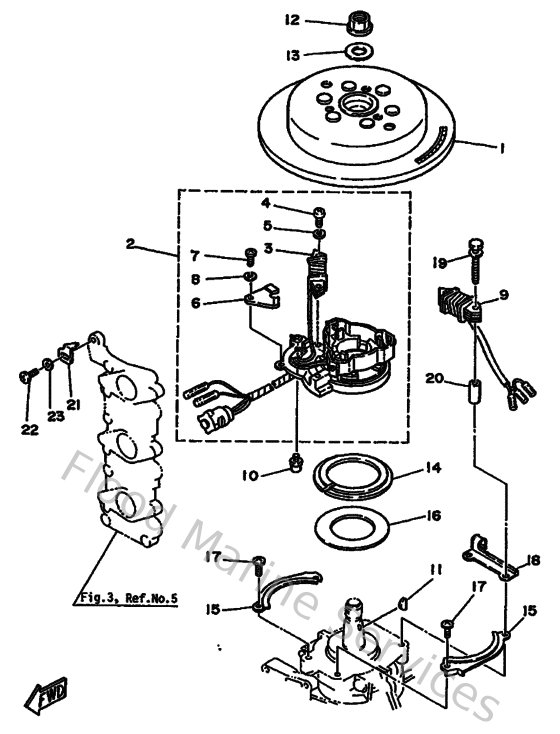
Diagram: Generator
Parts List
Reference
Description
Price
2
6H485510F000
Stator Assembly
Loading…
↗
3
6H4855200000
Coil, Charge
Loading…
↗
4
978020602000
Screw pan head
Loading…
↗
5
929900610000
Washer(6a1)
Loading…
↗
6
6H4855480000
Clamp, cord
Loading…
↗
7
985800500800
Screw, pan head (7g3)
Loading…
↗
8
929900510000
Ybs67-5 washer, spring
Loading…
↗
9
6H485533A000
Coil, Lighting
Loading…
↗
10
663855180000
Joint, ball
Loading…
↗
11
902800501300
Key, woodruff
Loading…
↗
12
9017916M0500
Nut (689)
Loading…
↗
13
9020116M4400
Washer (689)
Loading…
↗
14
6H4416110000
Retainer, magneto base
Loading…
↗
15
6J8416150000
Stopper, magneto base
Loading…
↗
16
6J8416180000
Washer, magneto
Loading…
↗
17
925800601200
Screw, pan head(62j)
Loading…
↗
18
6J8855480000
Holder
Loading…
↗
19
901190626000
BOLT
Loading…
↗
20
9038706M7600
Collar
Loading…
↗
21
6J8813320000
Plate, timing
Loading…
↗
22
985800501000
Screw, pan head(62x)
Loading…
↗
23
929900560000
Washer, plain (646)
Loading…
↗
1
6J885550A000
Rotor Assembly
Loading…
↗
5
929950610000
Washer(6a1)
Loading…
↗
7
985010500800
Screw, pan head (7g3)
Loading…
↗