Yamaha Outboard Parts - Generator - F100AET (1999) | Flood Marine
New Search
Parts
New Outboards
Home
F100AET (1999)
Generator
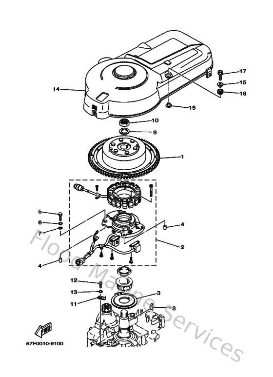
Diagram: Generator
Parts List
Reference
Description
Price
1
67F855500000
Rotor assembly
Loading…
↗
2
67F855600000
Base assembly
Loading…
↗
3
67F816730000
Rotor
Loading…
↗
4
995300801200
Pin, dowel(6g8)
Loading…
↗
5
970800603000
Bolt(jf7)
Loading…
↗
6
929950610000
Washer(6a1)
Loading…
↗
7
929950660000
Washer, plain (646)
Loading…
↗
8
902800501500
Key, woodruff
Loading…
↗
9
9020125M0200
Washer, plate(61a)
Loading…
↗
10
9017024M2200
Nut(61a)
Loading…
↗
11
67F813320000
Plate, timing
Loading…
↗
12
978850601000
Screw pan head
Loading…
↗
13
929900660000
Washer, plain (646)
Loading…
↗
14
67F813370000
Cover, flywheel
Loading…
↗
15
9038706M7100
Collar (6g8)
Loading…
↗
16
9048015M3100
Grommet (6g1)
Loading…
↗
17
9011906M9200
Bolt, with washer
Loading…
↗