Yamaha Outboard Parts - Generator - F9.9BMH (1989) | Flood Marine
New Search
Parts
New Outboards
Home
F9.9BMH (1989)
Generator
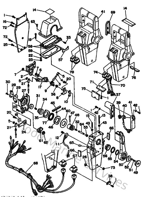
Diagram: Generator
Parts List
Reference
Description
Price
4
985030502500
Screw, panhead (a93)
Loading…
↗
5
929900510000
Ybs67-5 washer, spring
Loading…
↗
7
985020502500
Screw, panhead (a93)
Loading…
↗
10
985800501200
Screw,pan head (646)
Loading…
↗
12
929900560000
Washer, plain (646)
Loading…
↗
13
445813282000
Clamp, read
Loading…
↗
14
978020400800
Screw, pan head (713)
Loading…
↗
15
925800602500
Screw, pan head(6b0)
Loading…
↗
16
929900660000
Washer, plain (646)
Loading…
↗
17
985800602000
Screw pan head
Loading…
↗
19
995100801200
Pin, dowel(n04)
Loading…
↗
20
6G8813370000
Cover, Flywheel
Loading…
↗
22
6G8813230000
Screw 1
Loading…
↗
23
9048015M3100
Grommet (6g1)
Loading…
↗
24
9038706M7100
Collar (6g8)
Loading…
↗
25
902800501300
Key, woodruff
Loading…
↗
26
901701206600
Nut, hexagon 6481155500
Loading…
↗
27
902011247200
Washer, plate (4n0)
Loading…
↗