Yamaha Outboard Parts - Generatrice - 85AET (1995) | Flood Marine
New Search
Parts
New Outboards
Home
85AET (1995)
Generatrice
Diagram: Generatrice
Parts List
Reference
Description
Price
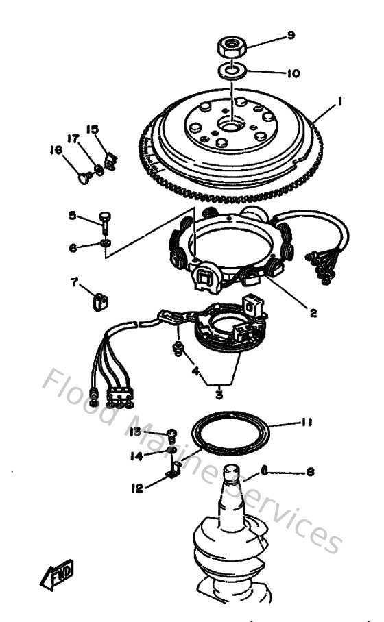
1
688855501300
Rotor Assembly
Loading…
↗
2
688855101100
Stator Assembly
Loading…
↗
3
688855801200
Coil, Pulser
Loading…
↗
4
663855180000
Joint, ball
Loading…
↗
5
9010106M2700
Bolt
Loading…
↗
6
929900660000
Washer, plain (646)
Loading…
↗
8
902800504900
Key, woodruff (12r)
Loading…
↗
9
901702013700
Nut, hexagon(663)
Loading…
↗
10
9020121M1800
Washer, plate (663)
Loading…
↗
11
688416110000
Retainer, magneto base 1
Loading…
↗
12
688416120000
Retainer, magneto base 2
Loading…
↗
13
985800601200
Screw, pan head(62j)
Loading…
↗
14
929950610000
Washer(6a1)
Loading…
↗
15
688813320100
Plate, timing
Loading…
↗
16
970950601000
Bolt
Loading…
↗