Yamaha Outboard Parts - Intake - 130BETOL (1996) | Flood Marine
New Search
Parts
New Outboards
Home
130BETOL (1996)
Intake
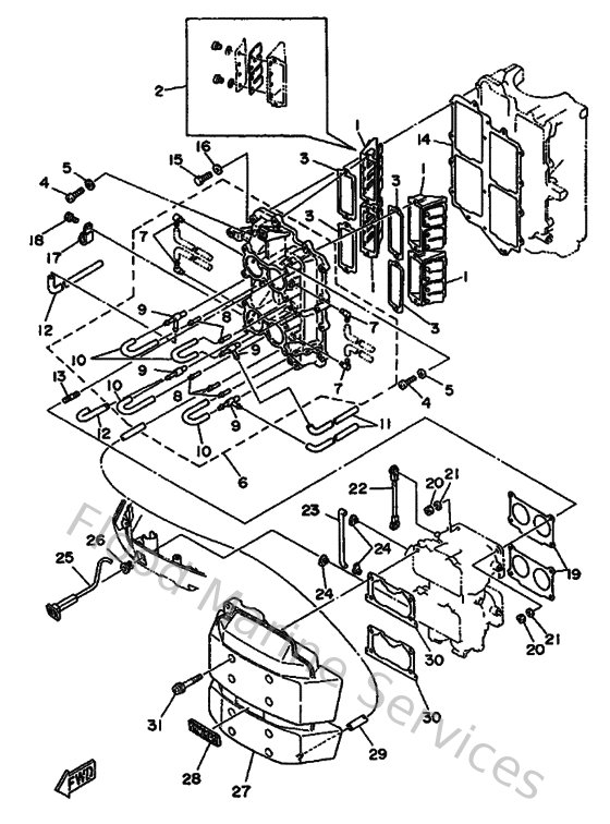
Diagram: Intake
Parts List
Reference
Description
Price
1
6E5136100000
Reed valve assembly
Loading…
↗
2
6E5W00040000
Reed set
Loading…
↗
3
6E513621A100
Gasket, valve seat
Loading…
↗
6
6E5136411194
Manifold 1
Loading…
↗
7
6E5135520000
Nozzle
Loading…
↗
8
624144850000
Pipe, joint
Loading…
↗
9
6E5113700100
Check valve assembly
Loading…
↗
14
6E513645A100
Gasket, manifold 1
Loading…
↗
19
6E514198A200
Gasket
Loading…
↗
22
6E5412170100
Rod, accel. lever
Loading…
↗
23
6E5412560100
Rod, choke 1
Loading…
↗
24
661412620200
Joint, choke lever
Loading…
↗
26
689412730000
Grommet
Loading…
↗
27
6N7144400100
Silencer assembly, intake
Loading…
↗
28
6E51441K0000
Emblem 1
Loading…
↗
30
6K7144830000
Gasket
Loading…
↗