Yamaha Outboard Parts - Intake - 140AETOL (1987) | Flood Marine
New Search
Parts
New Outboards
Home
140AETOL (1987)
Intake
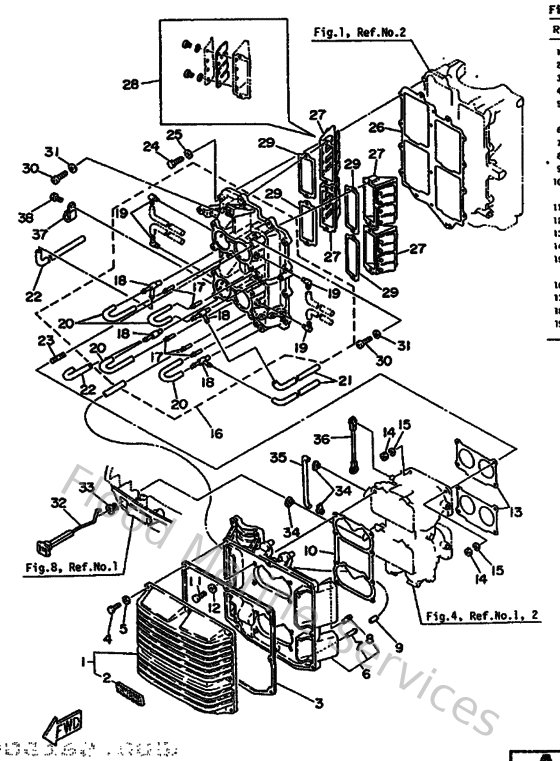
Diagram: Intake
Parts List
Reference
Description
Price
2
6E51441K0000
Emblem 1
Loading…
↗
3
6E5144160000
Gasket, air cleaner
Loading…
↗
4
973130602000
Bolt(7u8)
Loading…
↗
5
929030620000
Ybs66-6 washer, plain
Loading…
↗
6
6E5144171100
Cover 1
Loading…
↗
7
624144850000
Pipe, joint
Loading…
↗
8
6E5144850000
Pipe, joint
Loading…
↗
9
9044507M2300
Hose (l570)
Loading…
↗
10
6E5144830100
Gasket
Loading…
↗
11
970800602000
Bolt(7u8)
Loading…
↗
12
929030660000
Washer, plain (646)
Loading…
↗
13
6E5141980000
Gasket
Loading…
↗
14
953030660000
Nut(661)
Loading…
↗
15
929950610000
Washer(6a1)
Loading…
↗
16
6E5136411094
Manifold 1
Loading…
↗
18
6E5113700000
Check valve assembly
Loading…
↗
19
6E5135520000
Nozzle
Loading…
↗
20
9044507MA300
Hose (l200)
Loading…
↗
21
9044507M2400
Hose (l390)
Loading…
↗
22
9044507M4600
Hose (l390)
Loading…
↗
23
9011606M3000
Bolt, stud(6e5)
Loading…
↗
24
9010106M2700
Bolt
Loading…
↗
26
6E5136450000
Gasket, manifold 1
Loading…
↗
27
6E5136100000
Reed valve assembly
Loading…
↗
28
6E5W00040000
Reed set
Loading…
↗
29
6E5136210000
Gasket, valve seat
Loading…
↗
30
985800552500
Screw, panhead (a93)
Loading…
↗
31
929030560000
Washer, plain (646)
Loading…
↗
32
6E5412710100
Knob, choke
Loading…
↗
33
689412730000
Grommet
Loading…
↗
34
661412620200
Joint, choke lever
Loading…
↗
35
6E5412560100
Rod, choke 1
Loading…
↗
36
6E5412170000
Rod, accel. lever
Loading…
↗
37
9046508M0700
Clamp (1e6)
Loading…
↗
38
973130601200
Bolt(gh1)
Loading…
↗