Yamaha Outboard Parts - Intake - 3AMH (2001) | Flood Marine
New Search
Parts
New Outboards
Home
3AMH (2001)
Intake
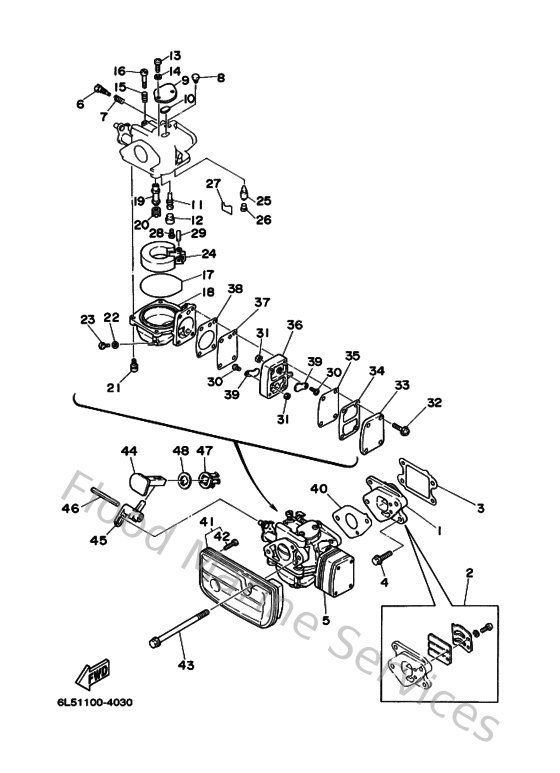
Diagram: Intake
Parts List
Reference
Description
Price
1
6L5136100200
Reed valve assembly
Loading…
↗
2
6L5W00040200
Reed set
Loading…
↗
3
6L513621A200
Gasket, valve seat
Loading…
↗
4
958950601600
Bolt, flange deep recess
Loading…
↗
5
6L5143010300
Carburetor assembly 1
Loading…
↗
6
679149230000
Screw, pilot
Loading…
↗
7
697145550000
Spring
Loading…
↗
8
6G1149660000
Cap
Loading…
↗
9
6G1145270000
Plate
Loading…
↗
10
6G1141260000
Packing
Loading…
↗
11
6L5149480300
Jet (#40)
Loading…
↗
12
679149660000
Rubber cap
Loading…
↗
13
978800401000
Screw, pan head (e56)
Loading…
↗
14
929900410000
Ybs67-4 washer, spring
Loading…
↗
15
905011032600
Spring coil(663)(carb)
Loading…
↗
16
63V145230000
Screw, stop
Loading…
↗
17
6G1149840000
Gasket, float chamber
Loading…
↗
18
6G1149800100
Body, float chamber
Loading…
↗
19
6L5149470100
Jet, needle
Loading…
↗
20
676149431400
Jet, main (#68)
Loading…
↗
21
979800411400
Screw, pan head(ga5)
Loading…
↗
22
6G1143980000
Washer
Loading…
↗
23
6G1149920000
Screw, drain
Loading…
↗
24
6G1149850000
Float comp.
Loading…
↗
25
6G1145460000
Valve, needle
Loading…
↗
26
676141860000
Pin, valve
Loading…
↗
27
663141590000
Clip
Loading…
↗
28
985800400800
Screw, pan head (713)
Loading…
↗
29
688145480000
Pin, arm
Loading…
↗
30
985800300600
Screw, pan head(78g)
Loading…
↗
31
953800360000
Nut (6g8)
Loading…
↗
32
979800412500
Screw, with washer
Loading…
↗
33
6G1244520000
Cover, pump
Loading…
↗
34
6G1244320000
Packing
Loading…
↗
35
6G1244710000
Diaphragm
Loading…
↗
36
6G1244120100
Body 1
Loading…
↗
37
6G1244110000
Diaphragm
Loading…
↗
38
6G1244310100
Gasket, fuel pump 1
Loading…
↗
39
6L5244210000
Valve, check
Loading…
↗
40
6L514198A100
Gasket
Loading…
↗
41
6L5144400000
Silencer assembly, intake
Loading…
↗
42
977804071600
Screw, tapping(6l5)
Loading…
↗
43
958950609500
Bolt, flange deep recess
Loading…
↗
44
6L5412712000
Knob, choke
Loading…
↗
45
6L5412520000
Lever, choke 1
Loading…
↗
46
916904004800
Pin, spring (689)
Loading…
↗
47
689412730000
Grommet
Loading…
↗
48
6J8412740000
Grommet 2
Loading…
↗