Yamaha Outboard Parts - Intake - 40QMH (1990) | Flood Marine
New Search
Parts
New Outboards
Home
40QMH (1990)
Intake
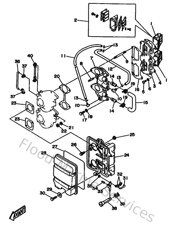
Diagram: Intake
Parts List
Reference
Description
Price
1
6A0136100000
Reed Valve Assembly
Loading…
↗
3
676136420094
Manifold 2
Loading…
↗
4
676136460000
Gasket,intake manifold 2
Loading…
↗
5
985800501600
Screw, pan head(6b0)
Loading…
↗
6
929900510000
Ybs67-5 washer, spring
Loading…
↗
8
901160612200
Bolt, stud(6e5)
Loading…
↗
9
9011606M1500
Bolt, stud (6e9)
Loading…
↗
10
650113700000
Check valve assembly
Loading…
↗
11
9044507M9000
Hose (l390)
Loading…
↗
12
9044507M4400
Hose (l390)
Loading…
↗
13
904670601600
Clip (655)
Loading…
↗
15
6E9243210000
Pipe 10
Loading…
↗
16
67613646A000
Gasket,intake manifold 2
Loading…
↗
17
973130602500
Bolt
Loading…
↗
18
929900660000
Washer, plain (646)
Loading…
↗
19
80L263970000
Band
Loading…
↗
20
6E9141980000
Gasket
Loading…
↗
22
953800660000
Nut(661)
Loading…
↗
23
6E914483A000
Joint
Loading…
↗
24
6E9144177094
Cover 1
Loading…
↗
25
9048012M2500
Grommet (6e9)
Loading…
↗
26
9010506M1400
Bolt (6e0)
Loading…
↗
27
6E9144760000
Seal
Loading…
↗
30
970950601600
Bolt, hexagon deep recess
Loading…
↗
32
661412620200
Joint, choke lever
Loading…
↗
33
6E9412520000
Lever, Choke 1
Loading…
↗
34
916904001600
Pin, spring (648)
Loading…
↗
35
902060500500
Washer, wave(656)
Loading…
↗
36
663412570200
Rod, choke 2
Loading…
↗
38
682412710000
Knob, choke
Loading…
↗
39
689412730000
Grommet
Loading…
↗
40
697412170100
Rod, accel. lever
Loading…
↗