Yamaha Outboard Parts - Intake - 60FETO (1987) | Flood Marine
New Search
Parts
New Outboards
Home
60FETO (1987)
Intake
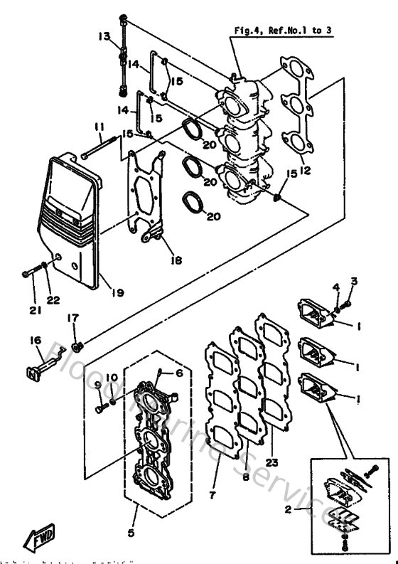
Diagram: Intake
Parts List
Reference
Description
Price
1
6H2136100000
Reed valve assembly
Loading…
↗
2
688W00040000
Reed set
Loading…
↗
3
978850502000
Screw, pan head (e22)
Loading…
↗
4
929030510000
Ybs67-5 washer, spring
Loading…
↗
6
6H1144850000
Pipe, joint
Loading…
↗
7
6H313621A100
Gasket, valve seat
Loading…
↗
8
6H3136240094
Plate, reed valve
Loading…
↗
9
973130602500
Bolt
Loading…
↗
10
929900660000
Washer, plain (646)
Loading…
↗
11
973130609500
Bolt, hexagon deep recess
Loading…
↗
12
6H314198A100
Gasket
Loading…
↗
13
6H3412170000
Rod, accel lever
Loading…
↗
14
6H3412570000
Rod, choke link 2
Loading…
↗
16
6H3412710000
Knob, choke
Loading…
↗
17
689412730000
Grommet
Loading…
↗
18
6H3144130000
Stay 1
Loading…
↗
19
6H3144400200
Silencer assembly, intake
Loading…
↗
20
6H3144570000
Seal
Loading…
↗
21
978030604500
Screw pan head
Loading…
↗
22
9020906M0500
Washer (688)
Loading…
↗
23
6H3136220000
Gasket, valve seat
Loading…
↗