Yamaha Outboard Parts - Intake - 70BETO (1988) | Flood Marine
New Search
Parts
New Outboards
Home
70BETO (1988)
Intake
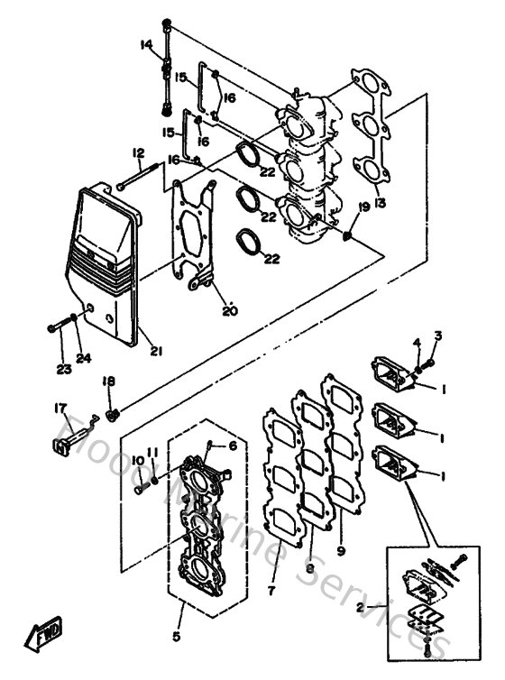
Diagram: Intake
Parts List
Reference
Description
Price
1
6H3136100000
Reed valve assembly
Loading…
↗
2
688W00040000
Reed set
Loading…
↗
3
978850502000
Screw, pan head (e22)
Loading…
↗
4
929900610000
Washer(6a1)
Loading…
↗
6
6H1144850000
Pipe, joint
Loading…
↗
7
6H313621A100
Gasket, valve seat
Loading…
↗
8
6H3136240094
Plate, reed valve
Loading…
↗
9
6H3136220000
Gasket, valve seat
Loading…
↗
10
973130602500
Bolt
Loading…
↗
11
929900660000
Washer, plain (646)
Loading…
↗
12
970950609500
Bolt, hexagon deep recess
Loading…
↗
13
6H3141980100
Gasket
Loading…
↗
14
6H3412170000
Rod, accel lever
Loading…
↗
15
6H3412570000
Rod, choke link 2
Loading…
↗
16
661412620200
Joint, choke lever
Loading…
↗
17
6H3412710000
Knob, choke
Loading…
↗
18
689412730000
Grommet
Loading…
↗
20
6H3144130000
Stay 1
Loading…
↗
21
6H3144400000
Silencer assembly, intake
Loading…
↗
22
6H3144570100
Seal
Loading…
↗
23
925030604500
Screw pan head
Loading…
↗
24
9020906M0500
Washer (688)
Loading…
↗