Yamaha Outboard Parts - Intake - F8BMH (1996) | Flood Marine
New Search
Parts
New Outboards
Home
F8BMH (1996)
Intake
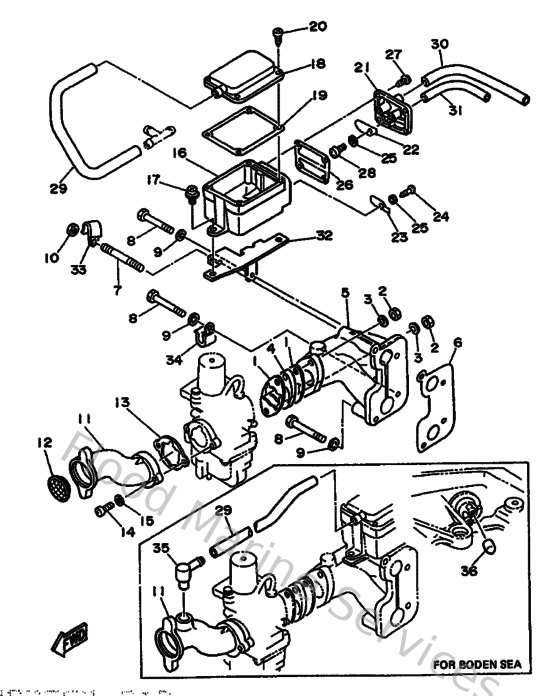
Diagram: Intake
Parts List
Reference
Description
Price
1
6G813646A000
Gasket,intake manifold 2
Loading…
↗
2
953800670000
Nut
Loading…
↗
3
929900660000
Washer, plain (646)
Loading…
↗
4
6G8136470000
Manifold, intake 3
Loading…
↗
5
6G8136410294
Manifold 1
Loading…
↗
6
6G8136450000
Gasket, intake manifold
Loading…
↗
7
9011606M1500
Bolt, stud (6e9)
Loading…
↗
8
970950604500
Bolt, hexagon
Loading…
↗
10
9538R0670000
Nut
Loading…
↗
11
6G8144790294
Funnel
Loading…
↗
12
6G8144780000
Louver
Loading…
↗
13
6G814198A000
Gasket
Loading…
↗
14
978850501600
Screw, pan head(6b0)
Loading…
↗
15
929900560000
Washer, plain (646)
Loading…
↗
16
6G8153580000
Separator, Oil
Loading…
↗
17
9015906M0500
Screw, With Washer
Loading…
↗
18
6G8153680094
Separator, Oil
Loading…
↗
19
6G8153690000
Gasket
Loading…
↗
20
977804011200
Screw, pan head tapping
Loading…
↗
21
6G8153710094
Breather
Loading…
↗
22
6G8153460000
Breather 1
Loading…
↗
23
6G8153470000
Breather 2
Loading…
↗
25
929900420000
Ybs66-4 washer, plain
Loading…
↗
26
6G8153740000
Gasket, breather
Loading…
↗
28
985070401000
Screw, pan head(6g8)
Loading…
↗
29
6G8153930000
Pipe, Breather 2
Loading…
↗
30
904451129300
Hose (l198)
Loading…
↗
31
904450907800
Hose (l1500)
Loading…
↗
32
6G8153760100
Holder, guide
Loading…
↗
33
904650802800
Clamp (1e6)
Loading…
↗
35
6G8153730000
Pipe Breather
Loading…
↗
36
6G8134480000
Cap
Loading…
↗