Yamaha Outboard Parts - Intake - FT8DMHSL (2001) | Flood Marine
New Search
Parts
New Outboards
Home
FT8DMHSL (2001)
Intake
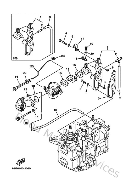
Diagram: Intake
Parts List
Reference
Description
Price
1
68T13641201S
Manifold 1
Loading…
↗
2
67F124820000
Pipe 2
Loading…
↗
3
68T136450000
Gasket, manifold 1
Loading…
↗
4
970130603500
Bolt(3rv)
Loading…
↗
5
929030660000
Washer, plain (646)
Loading…
↗
6
970130602500
Bolt(62y)
Loading…
↗
7
929900660000
Washer, plain (646)
Loading…
↗
8
916905001400
Pin, spring (647)
Loading…
↗
9
9044509M2000
Hose (L95)
Loading…
↗
10
68T13646A000
Gasket, manifold 2
Loading…
↗
11
68T142710000
Insulator
Loading…
↗
12
6AU144400000
Silencer assembly, intake
Loading…
↗
13
9321031MJ500
O-ring
Loading…
↗
14
9038706M7000
Collar (6h5)
Loading…
↗
15
975950658500
Bolt, flange
Loading…
↗
16
68T124830000
Pipe 3
Loading…
↗
17
9046508M9900
Clamp
Loading…
↗
18
9046508M8300
Clamp
Loading…
↗
19
970850601000
Bolt
Loading…
↗
20
929950660000
Washer, plain (646)
Loading…
↗
21
6H4412710100
Knob, choke
Loading…
↗
22
689412730000
Grommet
Loading…
↗
23
68T412560000
Rod, choke 1
Loading…
↗
24
6J8412620000
Joint, choke lever
Loading…
↗