Yamaha Outboard Parts - Intake - L130BETOL (1992) | Flood Marine
New Search
Parts
New Outboards
Home
L130BETOL (1992)
Intake
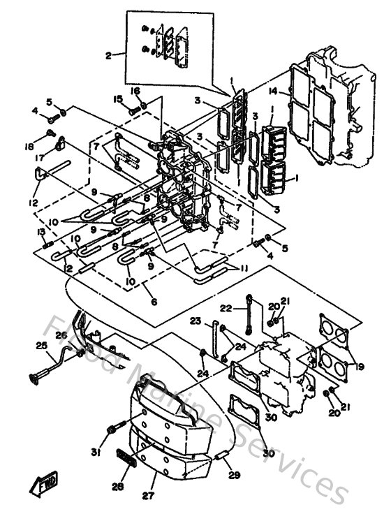
Diagram: Intake
Parts List
Reference
Description
Price
1
6E5136100000
Reed valve assembly
Loading…
↗
2
6E5W00040000
Reed set
Loading…
↗
3
6E513621A100
Gasket, valve seat
Loading…
↗
4
985030502500
Screw, panhead (a93)
Loading…
↗
5
929900560000
Washer, plain (646)
Loading…
↗
6
6E513641111S
Manifold 1
Loading…
↗
7
6E5135520000
Nozzle
Loading…
↗
8
624144850000
Pipe, joint
Loading…
↗
9
6E5113700100
Check valve assembly
Loading…
↗
10
9044507M2800
Hose (l200)
Loading…
↗
11
9044507MA300
Hose (l200)
Loading…
↗
12
9044507M9000
Hose (l390)
Loading…
↗
13
9011606M3000
Bolt, stud(6e5)
Loading…
↗
14
6E513645A100
Gasket, manifold 1
Loading…
↗
15
9010106M2700
Bolt
Loading…
↗
16
929900660000
Washer, plain (646)
Loading…
↗
17
904650802800
Clamp (1e6)
Loading…
↗
18
970130601200
Bolt(gh1)
Loading…
↗
19
6E514198A200
Gasket
Loading…
↗
20
953800660000
Nut(661)
Loading…
↗
21
929950610000
Washer(6a1)
Loading…
↗
22
6E5412170100
Rod, accel. lever
Loading…
↗
23
6E5412560100
Rod, choke 1
Loading…
↗
24
661412620200
Joint, choke lever
Loading…
↗
25
6N7412710000
Knob, choke
Loading…
↗
26
689412730000
Grommet
Loading…
↗
27
6N7144400000
Silencer assembly, intake
Loading…
↗
28
6E51441K0000
Emblem 1
Loading…
↗
29
9044507M0800
Hose (l390)
Loading…
↗
30
6K7144830000
Gasket
Loading…
↗
31
9015906M1400
Screw, with washer(6r3)
Loading…
↗