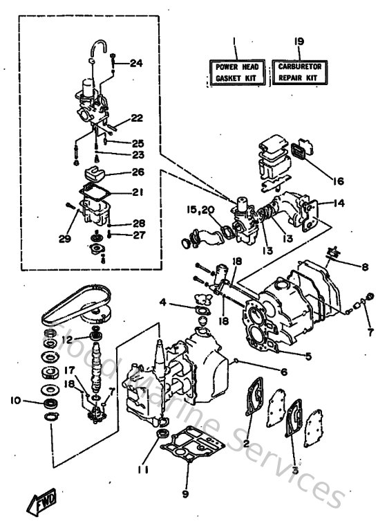
Yamaha Outboard Parts - Kits De Reparation 1 - FT9.9AMH (1997) | Flood Marine

Diagram: Kits De Reparation 1

Diagram