Yamaha Outboard Parts - Kits De Reparation 2 - 100AETO (1997) | Flood Marine
New Search
Parts
New Outboards
Home
100AETO (1997)
Kits De Reparation 2
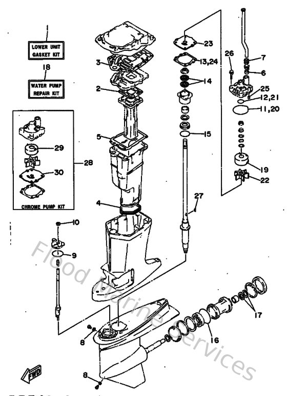
Diagram: Kits De Reparation 2
Parts List
Reference
Description
Price
1
6E5W0001F100
Gasket kit, lower unit
Loading…
↗
2
6E541134A000
Gasket, exhaust manifold
Loading…
↗
3
6G545114A000
Gasket, upper casing
Loading…
↗
4
6E5451230000
Gasket, muffler
Loading…
↗
5
6E541135A000
Gasket, exhaust manifold
Loading…
↗
6
6E5443650000
Damper, water seal 1
Loading…
↗
7
6E5443660000
Damper, water seal 2
Loading…
↗
8
904300800300
Gasket
Loading…
↗
9
932105867700
O-ring(47x)
Loading…
↗
10
931060901400
Oil seal
Loading…
↗
11
9321086M3800
O-ring (6e5)
Loading…
↗
12
9321037M6700
O-ring (6g8)
Loading…
↗
13
6E544315A000
Gasket,water pump
Loading…
↗
14
9310128M1600
Oil seal (6e5)
Loading…
↗
15
932105453400
O-ring (70e)
Loading…
↗
16
9321086M3900
O-ring (6e5)
Loading…
↗
17
9310130M1700
Oil seal (6e5)
Loading…
↗
18
6N6W00780100
Water pump repair kit
Loading…
↗
19
61A443220100
Insert, cartridge
Loading…
↗
22
6E5443520000
Impeller
Loading…
↗
23
6E5443230000
Outer plate, cartridge
Loading…
↗
25
936061201900
Pin, dowel (614)
Loading…
↗
26
9011908M1400
Bolt, with washer
Loading…
↗
27
9028004M0500
Key, woodruff (6e5)
Loading…
↗
28
6E5W00782A00
Chrome pump kit
Loading…
↗
29
6R3443224100
Insert, cartridge
Loading…
↗
30
6E5443234000
Outer plate, cartridge
Loading…
↗