Yamaha Outboard Parts - Kits De Reparation 2 - 40QMH (1997) | Flood Marine
New Search
Parts
New Outboards
Home
40QMH (1997)
Kits De Reparation 2
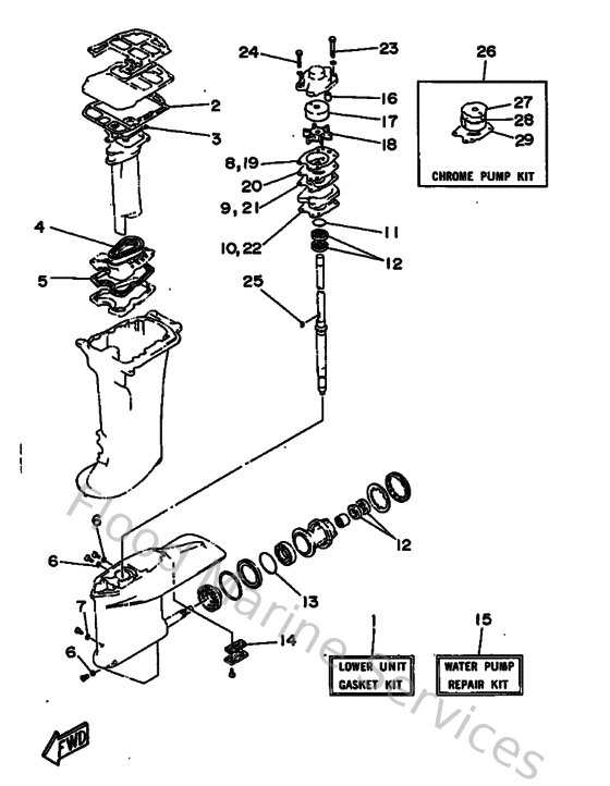
Diagram: Kits De Reparation 2
Parts List
Reference
Description
Price
1
6A0W00012200
Lower Unit Gasket Kit
Loading…
↗
2
67645114A000
Gasket, upper casing
Loading…
↗
3
67641133A000
Gasket, exhaust manifold 1
Loading…
↗
4
676451270000
Seal 1
Loading…
↗
5
676451280000
Seal 2
Loading…
↗
6
904300802000
Gasket
Loading…
↗
7
9043006M0300
Gasket (6f5)
Loading…
↗
8
67644315A100
Gasket, water pump
Loading…
↗
9
67644324A000
Gasket, cartridge
Loading…
↗
10
67944316A000
Gasket, water pump
Loading…
↗
11
932104104200
O-ring (132)
Loading…
↗
12
931012206700
Oil seal (22x36x6-663)
Loading…
↗
13
9321066M9800
O-ring(6h4)
Loading…
↗
14
67945315A100
Packing, lower casing
Loading…
↗
15
679W0078A100
Water pump repair kit
Loading…
↗
16
663443660000
Damper, water seal 2
Loading…
↗
17
676443220000
Insert, cartridge
Loading…
↗
18
6F5443520000
Impeller
Loading…
↗
19
67644315A000
Gasket, water pump
Loading…
↗
20
676443230000
Outer plate, cartridge
Loading…
↗
23
970950805500
Bolt, hexagon
Loading…
↗
24
970950804500
Bolt, hexagon
Loading…
↗
25
9028004M0000
Key, woodruff (676)
Loading…
↗
26
676W00780A00
Water pump repair kit (cr)
Loading…
↗
27
676443214000
Inner plate, cartridge
Loading…
↗
28
676443224000
Insert, cartridge
Loading…
↗
29
676443234000
Outer plate, cartridge
Loading…
↗