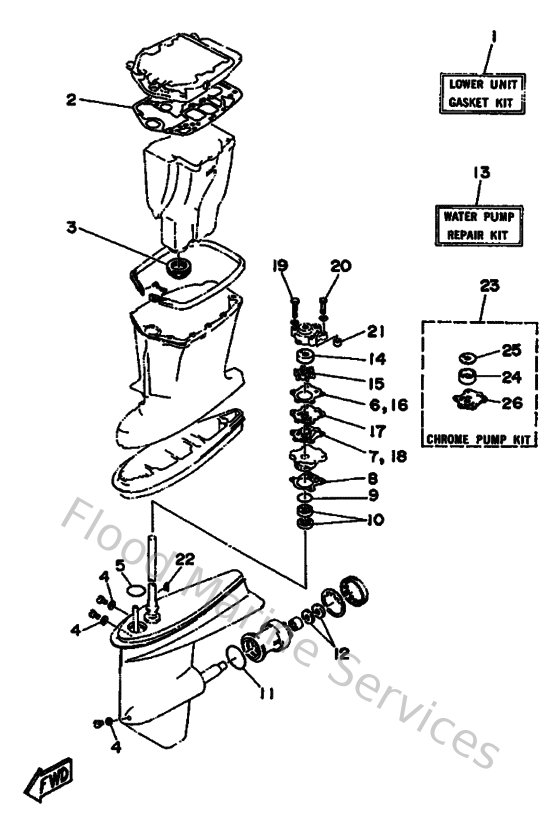
Yamaha Outboard Parts - Kits De Reparation 2 - 55BM (1996) | Flood Marine

Diagram: Kits De Reparation 2

Diagram