Yamaha Outboard Parts - Lower Casing & Drive - 175BETOL (1994) | Flood Marine
New Search
Parts
New Outboards
Home
175BETOL (1994)
Lower Casing & Drive
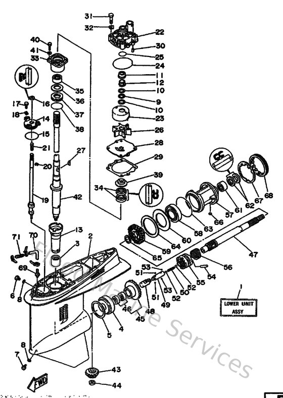
Diagram: Lower Casing & Drive
Parts List
Reference
Description
Price
1
6G545300144D
Lower unit assembly
Loading…
↗
2
6J945301014D
Casing, lower
Loading…
↗
3
93311928U500
Bearing, needle (6g5)
Loading…
↗
4
93332000V300
Bearing, taper roller (6g5)
Loading…
↗
5
6G5455676000
Shim (t:0.50mm)
Loading…
↗
6
9034008M0400
Plug, straight screw
Loading…
↗
7
688453411000
Plug, drain
Loading…
↗
8
904300802000
Gasket
Loading…
↗
9
9020622M1900
Washer, wave(61a)
Loading…
↗
10
9020122M0100
Washer, plate(61a)
Loading…
↗
11
61A455270000
Collar, drive shaft
Loading…
↗
12
61A455380000
Spacer, 1
Loading…
↗
13
6G5455360100
Sleeve, drive shaft
Loading…
↗
14
6E5453210000
Plate
Loading…
↗
15
932105867700
O-ring(47x)
Loading…
↗
16
931060901400
Oil seal
Loading…
↗
17
970950602000
Bolt(7u8)
Loading…
↗
18
9020906M0400
Washer
Loading…
↗
19
6G5441500100
Shift cam assembly
Loading…
↗
20
990010860000
Circlip(2r6)
Loading…
↗
21
9050111M1000
Spring, compression (663)
Loading…
↗
22
61A443110100
Housing, water pump
Loading…
↗
23
61A443220000
Insert, cartridge
Loading…
↗
24
9321086M3800
O-ring (6e5)
Loading…
↗
25
9321037M6700
O-ring (6g8)
Loading…
↗
26
6E5443520000
Impeller
Loading…
↗
27
9028004M0500
Key, woodruff (6e5)
Loading…
↗
28
6G5443230000
Outer plate, cartridge
Loading…
↗
29
6E544315A000
Gasket,water pump
Loading…
↗
30
936061201900
Pin, dowel (614)
Loading…
↗
31
973950804500
Bolt, hexagon
Loading…
↗
32
9020908M0200
Washer, plate (688)
Loading…
↗
33
6E5453310094
Housing, bearing
Loading…
↗
34
9310128M1600
Oil seal (6e5)
Loading…
↗
35
93315430V500
Bearing, cylindrical(6k0)
Loading…
↗
36
6E5455876000
Shim (t:0.50mm)
Loading…
↗
37
93341930V200
Bearing, thrust(64d)
Loading…
↗
38
932105453400
O-ring (70e)
Loading…
↗
39
6E5453440000
Cover, oil seal
Loading…
↗
40
973950802500
Bolt (62g)
Loading…
↗
41
929900860000
Washer, plain (663)
Loading…
↗
42
6G5455012200
Drive shaft comp.
Loading…
↗
43
6G5455510100
Pinion
Loading…
↗
44
9017016M0100
Nut, hexagon (688)
Loading…
↗
45
6G5455601000
Gear
Loading…
↗
46
93315425V300
Bearing, needle (6g5)
Loading…
↗
47
6J9456110100
Shaft, propeller
Loading…
↗
48
6E5456410300
Shifter
Loading…
↗
49
6E5456340100
Slide, shift
Loading…
↗
50
9050116M3700
Spring (6g5)
Loading…
↗
51
935073203100
Ball (12r)
Loading…
↗
52
935113202700
Ball (498)
Loading…
↗
53
935031601000
Ball
Loading…
↗
54
9025008M0700
Pin, straight (6g5)
Loading…
↗
55
6G5456311000
Clutch, dog
Loading…
↗
56
6E5456330100
Ring, cross pin
Loading…
↗
57
6J9453320094
Housing, bearing
Loading…
↗
58
93306209U000
Bearing (6g5)
Loading…
↗
59
6G5455710200
Gear
Loading…
↗
60
6G5455760000
Washer Thrust 2
Loading…
↗
61
93315430U800
Bearing
Loading…
↗
62
9310130M1700
Oil seal (6e5)
Loading…
↗
63
9321097M5500
O-ring (6g5)
Loading…
↗
64
6G5455776000
Shim (t:0.50mm)
Loading…
↗
65
9020130M9200
Washer (6g5)
Loading…
↗
66
9028204M0000
Key, straight(6g5)
Loading…
↗
67
6G5453830100
Washer, claw
Loading…
↗
68
6G5453840000
Nut
Loading…
↗
69
6E5453780000
Nipple, hose
Loading…
↗
70
9044507ME800
Hose (l250)
Loading…
↗
71
6E5835581000
End, nipple
Loading…
↗
1
663453760094
Guide, seal damper
Loading…
↗
2
688453750000
Damper, seal 2
Loading…
↗
3
6J9452140000
Cover, water inlet
Loading…
↗
4
6J9452150000
Cover, water inlet
Loading…
↗
5
9014205M0400
Screw, countersunk
Loading…
↗
6
901850590400
Nut nylon (sus)(ex4)
Loading…
↗
7
6J9453710100
Tab-trim
Loading…
↗
8
9010510M0000
Bolt, hexagon (663)
Loading…
↗
9
9360812M0500
Pin, dowel b (6e5)
Loading…
↗
10
973951004500
Bolt(64d)
Loading…
↗
11
929901010000
Ybs67-10 washer, spring
Loading…
↗
12
9011910M8900
Bolt, with washer
Loading…
↗
13
6E5443650000
Damper, water seal 1
Loading…
↗
14
6E5443120000
Cover, water pump housing
Loading…
↗
15
6E5443660000
Damper, water seal 2
Loading…
↗
16
6E5443610000
Tube, water
Loading…
↗
18
9044507MF000
Hose (l1160)
Loading…
↗
19
6E5835580000
End, nipple
Loading…
↗
20
9046511M1000
Clamp
Loading…
↗
21
6E5459870100
Spacer 1
Loading…
↗
22
688459970100
Spacer 2
Loading…
↗
23
929901820000
Washer (6e5)
Loading…
↗
24
9017118M0400
Nut, castle (6e5)
Loading…
↗
25
914904003000
Pin, cotter (663)
Loading…
↗
26
6G5459490000
Propeller (3x13-1/2"x23"-m)
Loading…
↗
27
6E5459781000
Propeller assembly (3x14"x26"-p)
Loading…
↗
28
6E5453711000
Tab-trim
Loading…
↗
29
6E5459941000
Plate, tooth
Loading…
↗