Yamaha Outboard Parts - Lower Casing & Drive - 40QMH (1996) | Flood Marine

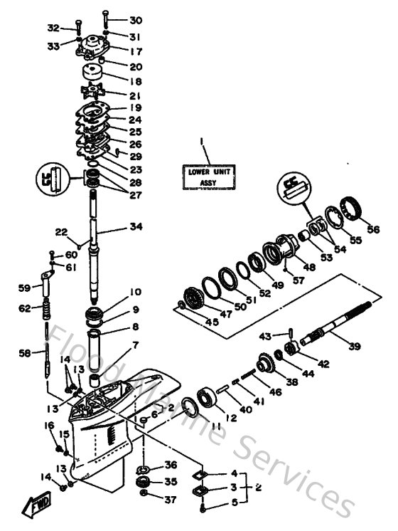
Diagram: Lower Casing & Drive

Diagram

Parts List

Reference
Description
Price