Yamaha Outboard Parts - Lower Casing & Drive - 40QMH (1997) | Flood Marine
New Search
Parts
New Outboards
Home
40QMH (1997)
Lower Casing & Drive
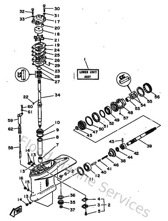
Diagram: Lower Casing & Drive
Parts List
Reference
Description
Price
2
6J4W4531014D
Casing, lower
Loading…
↗
3
679453210200
Plate
Loading…
↗
4
67945315A100
Packing, lower casing
Loading…
↗
5
985800601600
Screw pan head
Loading…
↗
6
903382216800
Plug(3aj)
Loading…
↗
7
933153222400
Brg,cyl-cal roller 42.2g nk
Loading…
↗
8
679455360000
Sleeve, drive shaft
Loading…
↗
9
663455876000
Shim (t:0.50mm)
Loading…
↗
10
933320000100
Brg, tapered roller (409)
Loading…
↗
11
663455676000
Shim (t:0.50mm)
Loading…
↗
12
933320000300
Brg,cyl-cal roller 318g ky
Loading…
↗
13
904300802000
Gasket
Loading…
↗
14
9034008M0400
Plug, straight screw
Loading…
↗
15
9043006M0300
Gasket (6f5)
Loading…
↗
16
9014906M0000
Screw (676)
Loading…
↗
17
676443110000
Housing, water pump 1
Loading…
↗
18
676443220000
Insert, cartridge
Loading…
↗
19
67644315A000
Gasket, water pump
Loading…
↗
20
663443660000
Damper, water seal 2
Loading…
↗
21
6F5443520000
Impeller
Loading…
↗
22
9028004M0000
Key, woodruff (676)
Loading…
↗
23
67944316A000
Gasket, water pump
Loading…
↗
24
676443230000
Outer plate, cartridge
Loading…
↗
25
67644324A000
Gasket, cartridge
Loading…
↗
26
679443410000
Housing, water pump
Loading…
↗
27
931012206700
Oil seal (22x36x6-663)
Loading…
↗
28
932104104200
O-ring (132)
Loading…
↗
29
936040806200
Pin,dowel (626)
Loading…
↗
30
970950805500
Bolt, hexagon
Loading…
↗
31
929900860000
Washer, plain (663)
Loading…
↗
32
970950804500
Bolt, hexagon
Loading…
↗
34
679455011000
Drive shaft comp
Loading…
↗
35
6H9455510000
Pinion
Loading…
↗
36
663455520000
Bearing, plain
Loading…
↗
37
901701213800
Nut hexagon(663)
Loading…
↗
38
679455600000
Gear 1 assembly
Loading…
↗
39
679456110100
Shaft, propeller
Loading…
↗
40
676456350000
Plunger, shift
Loading…
↗
41
663456340000
Slide, shift
Loading…
↗
42
663456310100
Clutch, dog
Loading…
↗
43
902500602300
Pin, strait (663)
Loading…
↗
44
663456330000
Ring, cross pin
Loading…
↗
45
902012242900
Washer, plate(663)
Loading…
↗
46
9050116M0100
Spring compression
Loading…
↗
47
679455710000
Gear 2
Loading…
↗
48
679453310094
Housing, bearing
Loading…
↗
49
933060070200
Brg,r-b 6007 62mm 150g ky
Loading…
↗
50
663455776000
Shim (t:0.50mm)
Loading…
↗
51
663455760000
Washer, thrust 2
Loading…
↗
52
9321066M9800
O-ring(6h4)
Loading…
↗
53
933172220400
Brg,cyl-cal roller 25.5g nt
Loading…
↗
55
9021448M0300
Washer, claw(697)
Loading…
↗
56
697453840000
Nut
Loading…
↗
57
902820401000
Key, strait(663)
Loading…
↗
58
679441500000
Shift cam assembly
Loading…
↗
59
679441520000
Bushing, shift cam
Loading…
↗
60
970800601800
Bolt (fj0)
Loading…
↗
61
929900660000
Washer, plain (646)
Loading…
↗
62
650441470000
Boot, shift rod
Loading…
↗
1
663453750000
Rubber, seal 2
Loading…
↗
2
663453760094
Guide, seal damper
Loading…
↗
3
688452140200
Cover, water inlet
Loading…
↗
4
688452150200
Cover, water inlet
Loading…
↗
5
9015205M0900
Screw, countersunk
Loading…
↗
6
901850590400
Nut nylon (sus)(ex4)
Loading…
↗
7
679453710000
Tab trim
Loading…
↗
8
970951003000
Bolt, hexagon
Loading…
↗
9
929901010000
Ybs67-10 washer, spring
Loading…
↗
10
936061201900
Pin, dowel (614)
Loading…
↗
11
970950803000
Bolt, hexagon (fj1)
Loading…
↗
12
929900810000
Ybs67-8 washer, spring
Loading…
↗
13
902021206000
Washer, plate(663)
Loading…
↗
14
676443610000
Tube, water 1
Loading…
↗
15
904301207200
Gasket
Loading…
↗
16
663443670000
Damper, water seal 3
Loading…
↗
17
663459870200
Spacer
Loading…
↗
18
670459970200
Spacer
Loading…
↗
19
929901620000
958-58204-00 washer,plain
Loading…
↗
20
901711601100
Nut, castle (663)
Loading…
↗
21
914903003000
Pin, cotter
Loading…
↗
22
663459490100
Propeller (3x10-3/4"x16"-g)
Loading…
↗