Yamaha Outboard Parts - Lower Casing & Drive - 40VMO (1996) | Flood Marine
New Search
Parts
New Outboards
Home
40VMO (1996)
Lower Casing & Drive
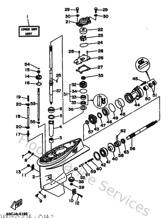
Diagram: Lower Casing & Drive
Parts List
Reference
Description
Price
1
63D45300104D
Lower unit assembly
Loading…
↗
2
63D45301014D
Casing, lower
Loading…
↗
3
933153222400
Brg,cyl-cal roller 42.2g nk
Loading…
↗
4
6H4455360000
Sleeve, drive shaft
Loading…
↗
5
663455876000
Shim (t:0.50mm)
Loading…
↗
6
933320007900
Bearing(4es)
Loading…
↗
7
9034008M0400
Plug, straight screw
Loading…
↗
8
904300802000
Gasket
Loading…
↗
9
688453410000
Plug, drain
Loading…
↗
10
63D452140000
Cover, water inlet
Loading…
↗
11
63D452150000
Cover, water inlet
Loading…
↗
12
9014205M0600
Screw, countersunk
Loading…
↗
13
953800560000
Nut, hexagon (663)
Loading…
↗
14
63D453210000
Plate
Loading…
↗
15
931060901400
Oil seal
Loading…
↗
16
9321033MG400
O-ring
Loading…
↗
17
6E5453780000
Nipple, hose
Loading…
↗
18
9044507MF200
Hose (l250)
Loading…
↗
19
6E5835580000
End, nipple
Loading…
↗
20
904651009800
Clamp
Loading…
↗
21
63D443110000
Housing, water pump
Loading…
↗
22
63D443220000
Insert, cartridge
Loading…
↗
23
6H3443520000
Impellar
Loading…
↗
24
9321059MG700
O-ring
Loading…
↗
25
902800302400
Key, woodruff(662)
Loading…
↗
26
63D443230000
Outer plate, cartridge
Loading…
↗
27
63D443160000
Gasket, water pump
Loading…
↗
28
936040806200
Pin,dowel (626)
Loading…
↗
29
970950803000
Bolt, hexagon (fj1)
Loading…
↗
30
9020908M0200
Washer, plate (688)
Loading…
↗
31
63DW44340000
Water pump housing assembly
Loading…
↗
32
999990391600
Housing, water pump set
Loading…
↗
33
9310125M5700
Oil seal
Loading…
↗
34
9321048MG800
O-ring
Loading…
↗
35
63D453440000
Cover, oil seal
Loading…
↗
36
9020127M0000
Washer, plate(62x)
Loading…
↗
37
63D455011000
Drive shaft comp.
Loading…
↗
38
6H4455510100
Pinion
Loading…
↗
39
901701213800
Nut hexagon(663)
Loading…
↗
40
6H4455600100
Gear
Loading…
↗
41
933320000300
Brg,cyl-cal roller 318g ky
Loading…
↗
42
663455676000
Shim (t:0.50mm)
Loading…
↗
43
6H4455710100
Gear
Loading…
↗
44
63D45361028D
Cap, lower casing
Loading…
↗
45
9010508M6100
Bolt, washer based(62x)
Loading…
↗
46
93306001U100
Bearing(62x)
Loading…
↗
47
63D455776000
Shim (t:0.50mm)
Loading…
↗
48
932107477500
O-ring (xea)
Loading…
↗
49
9321069MG600
O-ring
Loading…
↗
50
933172220400
Brg,cyl-cal roller 25.5g nt
Loading…
↗
51
931012206700
Oil seal (22x36x6-663)
Loading…
↗
52
663441510000
Cam, shift
Loading…
↗
53
63D441440000
Rod, shift
Loading…
↗
54
932100754000
O-ring (11m)
Loading…
↗
55
990010860000
Circlip(2r6)
Loading…
↗
56
63D456110000
Shaft, propeller
Loading…
↗
57
902012242900
Washer, plate(663)
Loading…
↗
58
63D456310100
Clutch, dog
Loading…
↗
59
663456340000
Slide, shift
Loading…
↗
60
9050116M0100
Spring compression
Loading…
↗
61
63D456350000
Plunger, shift
Loading…
↗
62
902500602300
Pin, strait (663)
Loading…
↗
63
663456330000
Ring, cross pin
Loading…
↗
1
63D443611000
Tube, water
Loading…
↗
2
902021206000
Washer, plate(663)
Loading…
↗
3
904301207200
Gasket
Loading…
↗
4
63D443670000
Damper, water seal
Loading…
↗
5
936061201900
Pin, dowel (614)
Loading…
↗
6
970751004000
Bolt, hexagon deep recess
Loading…
↗
7
929901010000
Ybs67-10 washer, spring
Loading…
↗
8
929901060000
Washer, plate
Loading…
↗
9
9011908M8400
Bolt, with washer
Loading…
↗
10
664453710100
Tab-trim
Loading…
↗
11
989800802500
Screw, bind(j36)
Loading…
↗
12
929950810000
Ybs67-8 washer, spring
Loading…
↗
13
63D452511000
Anode
Loading…
↗
14
970950802000
Bolt, hexagon
Loading…
↗
16
663443660000
Damper, water seal 2
Loading…
↗
17
63D443120000
Cover, water pump housing
Loading…
↗
18
663459870200
Spacer
Loading…
↗
19
670459970200
Spacer
Loading…
↗
20
929901620000
958-58204-00 washer,plain
Loading…
↗
21
901711601100
Nut, castle (663)
Loading…
↗
22
914903003000
Pin, cotter
Loading…
↗
23
6634594702EL
Prop assembly (3x11-5/8"x11"-g)
Loading…
↗
24
663453760094
Guide, seal damper
Loading…
↗
25
63D453750000
Damper, seal
Loading…
↗