Yamaha Outboard Parts - Lower Casing & Drive - F8BMH (1994) | Flood Marine
New Search
Parts
New Outboards
Home
F8BMH (1994)
Lower Casing & Drive
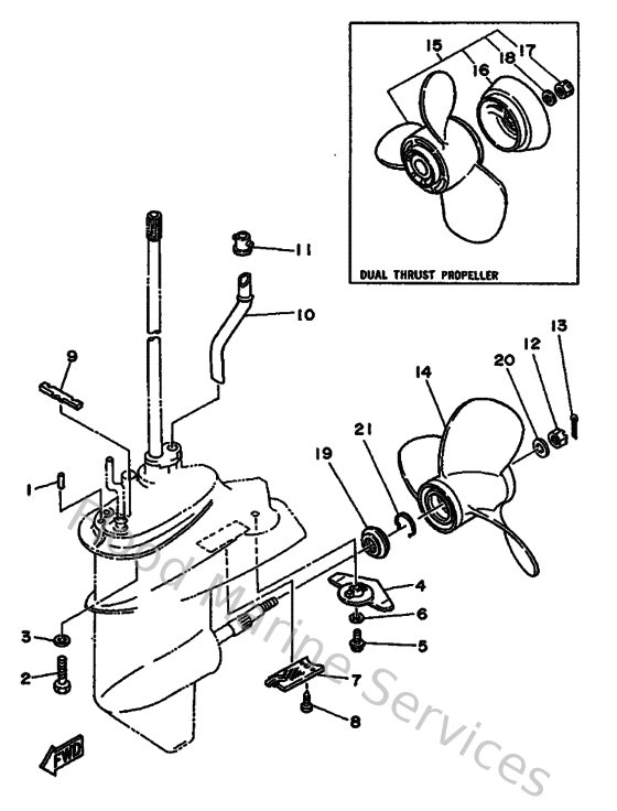
Diagram: Lower Casing & Drive
Parts List
Reference
Description
Price
1
936061201900
Pin, dowel (614)
Loading…
↗
2
970900803500
Bolt(70w)
Loading…
↗
3
929900860000
Washer, plain (663)
Loading…
↗
4
6E8452510200
Anode
Loading…
↗
5
958950602000
Bolt, flange(jk3)
Loading…
↗
6
929900630000
Washer, tooth
Loading…
↗
7
6E7452140000
Cover, water inlet
Loading…
↗
8
985800501200
Screw,pan head (646)
Loading…
↗
9
682453750100
Damper, seal
Loading…
↗
10
6G9443610000
Tube, Water 1
Loading…
↗
11
626443650100
Damper, water seal 1
Loading…
↗
12
9017110M0100
Nut castle (683)
Loading…
↗
13
914903002000
Pin cotter
Loading…
↗
14
683459520000
Propeller (3X9-1/4"x9-3/4"-J)
Loading…
↗
15
683W45920200
Propeller (3x9-3/4"x6-1/2"-j)
Loading…
↗
16
6E7459860000
Ring, deflector
Loading…
↗
17
9017110M0700
Nut, castle(6g8)
Loading…
↗
18
9020110M0200
Washer, plate(6g9)
Loading…
↗
19
6G9459870000
Spacer
Loading…
↗
20
9020110M0100
Washer, plate(6m7)
Loading…
↗
21
9345010M0500
Circlip(6g9)
Loading…
↗
1
6G945300064D
Lower unit assembly
Loading…
↗
2
6E845311018D
Casing, lower
Loading…
↗
3
936040806200
Pin,dowel (626)
Loading…
↗
4
683443620100
Tube, water 2
Loading…
↗
5
683443650100
Damper, water seal 1
Loading…
↗
6
683443730000
Set plate, water tube
Loading…
↗
7
970950601000
Bolt
Loading…
↗
8
6E7443660000
Damper, water seal 2
Loading…
↗
9
9034008M0400
Plug, straight screw
Loading…
↗
10
904300800300
Gasket
Loading…
↗
11
682453760100
Guide, seal damper
Loading…
↗
12
933320000500
Brg,cyl-cal roller 0.19g nt
Loading…
↗
13
93315314V800
Bearing, needle (6e7)
Loading…
↗
14
682443000100
Housing water pump assembly
Loading…
↗
15
682443120000
Cover, water pump housing
Loading…
↗
16
977804011200
Screw, pan head tapping
Loading…
↗
17
682443650000
Damper, water seal 1
Loading…
↗
18
682443220000
Insert, cartridge
Loading…
↗
20
902800302400
Key, woodruff(662)
Loading…
↗
21
68244315A000
Gasket,water pump 1
Loading…
↗
22
682443230000
Outer plate, cartridge
Loading…
↗
23
6E74533100CA
Housing, bearing
Loading…
↗
24
626453160900
Bushing, drive shaft 1
Loading…
↗
25
931012004800
Oil seal (20x30x6-648)
Loading…
↗
26
68345315A000
Packing,lower casing
Loading…
↗
28
970950604500
Bolt, hexagon
Loading…
↗
29
929900660000
Washer, plain (646)
Loading…
↗
30
682443280000
Plate
Loading…
↗
31
6E7455360000
Sleeve, drive shaft
Loading…
↗
32
6G9455011100
Drive shaft comp.
Loading…
↗
33
6E7455510000
Pinion
Loading…
↗
34
6E8455873000
Shim (t:1.20mm)
Loading…
↗
35
93341414V100
Bearing
Loading…
↗
36
9017908M0600
Nut (6e7)
Loading…
↗
37
6E7455600100
Gear
Loading…
↗
38
664455670130
Shim (t:0.30mm)
Loading…
↗
39
6E7455710000
Gear 2
Loading…
↗
40
902011768200
Washer, plate (2k7)
Loading…
↗
41
626455774000
Shim (t:0.50mm)
Loading…
↗
42
683456110000
Shaft propeller
Loading…
↗
43
650456350000
Plunger, shift
Loading…
↗
44
682456310000
Clutch, dog
Loading…
↗
45
902500501000
Pin straight 648456320000
Loading…
↗
46
648456331100
Ring, cross pin
Loading…
↗
47
9050114M0600
Spring, compression
Loading…
↗
48
68345361014D
Cap, lower casing
Loading…
↗
49
933060051900
Bearing(1ff)
Loading…
↗
50
93315317U200
Brg,cyl-cal roller 14g (683)
Loading…
↗
51
931011705400
Oil seal (17x30x6-650)
Loading…
↗
52
9321057M0900
O-ring (683)
Loading…
↗
53
9321056M8000
O-ring(6j8)
Loading…
↗
54
970800602000
Bolt(7u8)
Loading…
↗
55
6G9441500000
Shift Cam assembly
Loading…
↗
56
682441470000
Boot, shift rod
Loading…
↗
57
682441760000
Bracket
Loading…
↗
58
977805011000
Screw, tapping(6u1)
Loading…
↗