Yamaha Outboard Parts - Lower Casing & Drive - L130BETOL (1997) | Flood Marine
New Search
Parts
New Outboards
Home
L130BETOL (1997)
Lower Casing & Drive
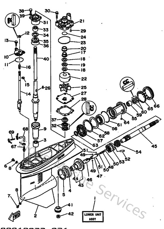
Diagram: Lower Casing & Drive
Parts List
Reference
Description
Price
1
6E545300158D
Lower unit assembly
Loading…
↗
2
6E545301038D
Casing, lower
Loading…
↗
3
93315628U900
Brg,cyl-cal roller (6e5)
Loading…
↗
4
93332000U700
Brg,tapered roller 76mm (6e5)
Loading…
↗
5
6E5455676000
Shim (t:0.50mm)
Loading…
↗
6
903400800200
Plug, straight screw
Loading…
↗
7
688453410000
Plug, drain
Loading…
↗
8
904300802000
Gasket
Loading…
↗
9
6E5455360000
Sleeve, drive shaft
Loading…
↗
10
6E5453210000
Plate
Loading…
↗
11
932105867700
O-ring(47x)
Loading…
↗
12
931060901400
Oil seal
Loading…
↗
13
9011906M1000
Bolt, with washer
Loading…
↗
14
6E5441500100
Shift cam assembly
Loading…
↗
15
990010860000
Circlip(2r6)
Loading…
↗
16
9050111M1000
Spring, compression (663)
Loading…
↗
17
61A455380000
Spacer, 1
Loading…
↗
18
9020122M0100
Washer, plate(61a)
Loading…
↗
19
9020622M1900
Washer, wave(61a)
Loading…
↗
20
61A455270000
Collar, drive shaft
Loading…
↗
21
61A443110100
Housing, water pump
Loading…
↗
22
61A443220100
Insert, cartridge
Loading…
↗
23
9321086M3800
O-ring (6e5)
Loading…
↗
24
9321037M6700
O-ring (6g8)
Loading…
↗
25
6E5443520000
Impeller
Loading…
↗
26
9028004M0500
Key, woodruff (6e5)
Loading…
↗
27
6E5443230000
Outer plate, cartridge
Loading…
↗
28
6E544315A000
Gasket,water pump
Loading…
↗
29
936061201900
Pin, dowel (614)
Loading…
↗
30
9011908M1400
Bolt, with washer
Loading…
↗
31
6E5453310094
Housing, bearing
Loading…
↗
32
9310128M1600
Oil seal (6e5)
Loading…
↗
33
93315430V500
Bearing, cylindrical(6k0)
Loading…
↗
34
6E5455876000
Shim (t:0.50mm)
Loading…
↗
35
93341930V200
Bearing, thrust(64d)
Loading…
↗
36
932105453400
O-ring (70e)
Loading…
↗
37
6E5453440000
Cover, oil seal
Loading…
↗
38
970950802500
Bolt (62g)
Loading…
↗
39
929900860000
Washer, plain (663)
Loading…
↗
40
6E5455010100
Drive shaft comp.
Loading…
↗
41
6E5455510200
Pinion
Loading…
↗
42
9017016M0100
Nut, hexagon (688)
Loading…
↗
43
6E5455600100
Gear 1 assembly
Loading…
↗
44
93315425U700
Brg,cyl-cal roller (6e5)
Loading…
↗
45
6E5456110100
Shaft, propeller
Loading…
↗
46
6E5456410100
Shifter
Loading…
↗
47
6E5456340100
Slide, shift
Loading…
↗
48
9050116M3700
Spring (6g5)
Loading…
↗
49
935073203100
Ball (12r)
Loading…
↗
50
935113202700
Ball (498)
Loading…
↗
51
935031600300
Ball
Loading…
↗
52
9025008M0700
Pin, straight (6g5)
Loading…
↗
53
6E5456310100
Clutch, dog
Loading…
↗
54
6E5456330100
Ring, cross pin
Loading…
↗
55
6E54533200CA
Housing, bearing
Loading…
↗
56
93306208U000
Brg,r-b 6208 80mm 345g (6e5)
Loading…
↗
57
6E5455710100
Gear 2
Loading…
↗
58
6E5455760000
Washer, thrust 2
Loading…
↗
59
93315430U800
Bearing
Loading…
↗
60
9310130M1700
Oil seal (6e5)
Loading…
↗
61
9321086M3900
O-ring (6e5)
Loading…
↗
62
6L6455776000
Shim (t:0.50mm)
Loading…
↗
63
9020130M9200
Washer (6g5)
Loading…
↗
64
902820401000
Key, strait(663)
Loading…
↗
65
688453830200
Washer, claw
Loading…
↗
66
688453840000
Nut
Loading…
↗
67
6E5453780000
Nipple, hose
Loading…
↗
68
9044507ME800
Hose (l250)
Loading…
↗
69
6E5835581000
End, nipple
Loading…
↗
1
6E5443660000
Damper, water seal 2
Loading…
↗
2
6E5443610000
Tube, water
Loading…
↗
3
6E5443650000
Damper, water seal 1
Loading…
↗
4
9360812M0500
Pin, dowel b (6e5)
Loading…
↗
5
970751004500
Bolt(64d)
Loading…
↗
6
929901010000
Ybs67-10 washer, spring
Loading…
↗
7
9011910M8900
Bolt, with washer
Loading…
↗
8
663453760094
Guide, seal damper
Loading…
↗
9
688453750000
Damper, seal 2
Loading…
↗
10
688452140200
Cover, water inlet
Loading…
↗
11
688452150200
Cover, water inlet
Loading…
↗
12
9014205M0300
Screw, countersunk
Loading…
↗
13
901850590400
Nut nylon (sus)(ex4)
Loading…
↗
14
6E5453710100
Trim tab
Loading…
↗
15
9010510M0000
Bolt, hexagon (663)
Loading…
↗
16
9044507MF000
Hose (l1160)
Loading…
↗
17
6E5835580000
End, nipple
Loading…
↗
18
904651009800
Clamp
Loading…
↗
20
6E5443120000
Cover, water pump housing
Loading…
↗
21
6E5459870100
Spacer 1
Loading…
↗
22
688459970100
Spacer 2
Loading…
↗
23
929901820000
Washer (6e5)
Loading…
↗
24
9017118M0400
Nut, castle (6e5)
Loading…
↗
25
914904003000
Pin, cotter (663)
Loading…
↗
26
6E54594501EL
Propeller (3x13-1/4x17-k)
Loading…
↗
27
6E5459781000
Propeller assembly (3x14"x26"-p)
Loading…
↗
28
6E5453711000
Tab-trim
Loading…
↗
29
6E5459941000
Plate, tooth
Loading…
↗