Yamaha Outboard Parts - Lower Casing & Drive - L225CETO (1995) | Flood Marine
New Search
Parts
New Outboards
Home
L225CETO (1995)
Lower Casing & Drive
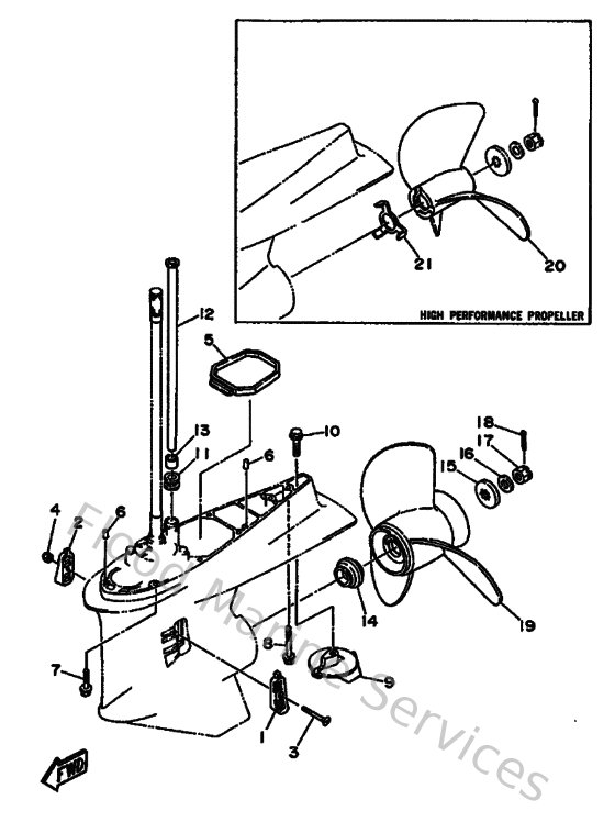
Diagram: Lower Casing & Drive
Parts List
Reference
Description
Price
1
61A452140000
Cover, water inlet
Loading…
↗
2
61A452150000
Cover, water inlet
Loading…
↗
3
9014205M0400
Screw, countersunk
Loading…
↗
4
901850590400
Nut nylon (sus)(ex4)
Loading…
↗
5
61A453750000
Damper, seal
Loading…
↗
6
9360812M0500
Pin, dowel b (6e5)
Loading…
↗
7
970751004500
Bolt(64d)
Loading…
↗
8
9011910MA200
Bolt, with washer
Loading…
↗
9
61A453710000
Anode
Loading…
↗
10
9010510M0000
Bolt, hexagon (663)
Loading…
↗
11
6E5443660000
Damper, water seal 2
Loading…
↗
12
61A443612000
Tube, water
Loading…
↗
13
6E5443650000
Damper, water seal 1
Loading…
↗
14
63P459870000
Spacer 1
Loading…
↗
15
688459970100
Spacer 2
Loading…
↗
16
929901820000
Washer (6e5)
Loading…
↗
17
9017118M0400
Nut, castle (6e5)
Loading…
↗
18
914904003000
Pin, cotter (663)
Loading…
↗
19
6G5459520000
Propeller (3x14-5/8"x16"-m)
Loading…
↗
20
6E5459781000
Propeller assembly (3x14"x26"-p)
Loading…
↗
21
6E5459941000
Plate, tooth
Loading…
↗
1
61A45300224D
Lower Unit Assembly (Ref. 2~78)
Loading…
↗
2
61A45301028D
Casing, Lower
Loading…
↗
3
93311832V200
Ball bearing
Loading…
↗
4
93332000W100
Bearing(61a)
Loading…
↗
5
61A455670030
Shim (t:0.30mm)
Loading…
↗
6
663443660000
Damper, water seal 2
Loading…
↗
7
9034008M0400
Plug, straight screw
Loading…
↗
8
688453411000
Plug, drain
Loading…
↗
9
904300802000
Gasket
Loading…
↗
10
61A45321005B
Plate
Loading…
↗
11
932106575200
O-ring(2hj)
Loading…
↗
12
931060901400
Oil seal
Loading…
↗
13
61A441600000
Detent Comp
Loading…
↗
14
9038406M0700
Bush, bimetal formed(6r3)
Loading…
↗
15
975950652000
Bolt(7u8)
Loading…
↗
16
61A441440000
Rod, Shift
Loading…
↗
17
61A441730000
Lever, Shift Control
Loading…
↗
18
990800560000
Circlip(22k)
Loading…
↗
19
9345007M0000
Circlip (6e5)
Loading…
↗
22
61A443110000
Housing, water pump
Loading…
↗
23
61A443220000
Insert, cartridge
Loading…
↗
24
9321086M3800
O-ring (6e5)
Loading…
↗
25
9321037M6700
O-ring (6g8)
Loading…
↗
26
6E5443520000
Impeller
Loading…
↗
27
9028004M0500
Key, woodruff (6e5)
Loading…
↗
28
61A455380000
Spacer, 1
Loading…
↗
29
61A455270000
Collar, drive shaft
Loading…
↗
30
9020122M0100
Washer, plate(61a)
Loading…
↗
31
9020622M1900
Washer, wave(61a)
Loading…
↗
32
6G5443230100
Outer plate, cartridge
Loading…
↗
33
6E544315A000
Gasket,water pump
Loading…
↗
34
936061201900
Pin, dowel (614)
Loading…
↗
35
973950804500
Bolt, hexagon
Loading…
↗
36
9020908M0200
Washer, plate (688)
Loading…
↗
37
61A453310094
Housing, bearing
Loading…
↗
38
9310128M1600
Oil seal (6e5)
Loading…
↗
39
93315430V500
Bearing, cylindrical(6k0)
Loading…
↗
40
61A455876000
Shim (t:0.50mm)
Loading…
↗
41
933419302000
Bearing
Loading…
↗
42
932105453400
O-ring (70e)
Loading…
↗
43
6E5453440000
Cover, oil seal
Loading…
↗
44
973950802500
Bolt (62g)
Loading…
↗
45
929950860000
Washer, plain (663)
Loading…
↗
46
61A455012000
Drive shaft comp.
Loading…
↗
47
61A455510100
Pinion
Loading…
↗
48
9020116M0000
Washer, plate(6t5)
Loading…
↗
49
9017016M1900
Nut(6t5)
Loading…
↗
51
61A456110000
Shaft, Propeller
Loading…
↗
55
61A456320000
Pin, cross
Loading…
↗
56
61A456310300
Clutch, dog
Loading…
↗
57
61A456330000
Ring, cross pin
Loading…
↗
58
6H1456680000
Shaft, free 1
Loading…
↗
59
61A456350000
Plunger, shift
Loading…
↗
60
9020102M0000
Washer, plate(61a)
Loading…
↗
61
9018302M0300
Nut, spring (6h1)
Loading…
↗
62
9050110M7700
Spring, compression(61a)
Loading…
↗
63
935010401100
Ball
Loading…
↗
64
61A453320094
Housing, Bearing
Loading…
↗
65
93306210U000
Bearing(61a)
Loading…
↗
66
61A455710000
Gear
Loading…
↗
67
9020131M0000
Washer, plate(61a)
Loading…
↗
68
61A455770030
Shim (t:0.30mm)
Loading…
↗
69
93317330U500
Bearing
Loading…
↗
70
9310130M1700
Oil seal (6e5)
Loading…
↗
71
932110438400
O-ring (705)
Loading…
↗
72
9010508M4800
Bolt, Flange
Loading…
↗
73
9370009M0000
Nipple, grease(6t4)
Loading…
↗
74
61A45361005B
Cap, lower casing
Loading…
↗
75
970800802000
Bolt(6td)
Loading…
↗
76
61A453760094
Guide, seal damper
Loading…
↗
78
6E5443120000
Cover, water pump housing
Loading…
↗