Yamaha Outboard Parts - Lower Casing & Drive 1 - 140BETOL (1988) | Flood Marine
New Search
Parts
New Outboards
Home
140BETOL (1988)
Lower Casing & Drive 1
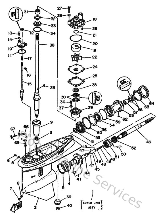
Diagram: Lower Casing & Drive 1
Parts List
Reference
Description
Price
1
6E54530012EJ
Lower Unit Assembly (Ref.no. 2 ~ 67) (6E5-45300-12-Ej)
Loading…
↗
2
6E54530105EJ
Casing, Lower
Loading…
↗
3
93315628U900
Brg,cyl-cal roller (6e5)
Loading…
↗
4
93332000U700
Brg,tapered roller 76mm (6e5)
Loading…
↗
5
6E5455670130
Shim (t:0.30mm)
Loading…
↗
6
9034008M0400
Plug, straight screw
Loading…
↗
7
688453411000
Plug, drain
Loading…
↗
8
904300802000
Gasket
Loading…
↗
9
6E5455360000
Sleeve, drive shaft
Loading…
↗
10
6E5453210000
Plate
Loading…
↗
11
932105867700
O-ring(47x)
Loading…
↗
12
931060901400
Oil seal
Loading…
↗
13
973950602000
Bolt(7u8)
Loading…
↗
14
9020906M0400
Washer
Loading…
↗
15
6E5441500200
Shift cam assembly
Loading…
↗
16
990010860000
Circlip(2r6)
Loading…
↗
17
9050111M1000
Spring, compression (663)
Loading…
↗
18
6E5443110000
Housing, water pump
Loading…
↗
19
6E5443220000
Insert, cartridge
Loading…
↗
20
9321086M3800
O-ring (6e5)
Loading…
↗
21
9321037M6700
O-ring (6g8)
Loading…
↗
22
6E5443520100
Impeller
Loading…
↗
23
9028004M0500
Key, woodruff (6e5)
Loading…
↗
24
6E5443230000
Outer plate, cartridge
Loading…
↗
25
6E5443150000
Gasket,water pump
Loading…
↗
26
936061201900
Pin, dowel (614)
Loading…
↗
27
970950804500
Bolt, hexagon
Loading…
↗
28
9020908M0200
Washer, plate (688)
Loading…
↗
29
6E5453310094
Housing, bearing
Loading…
↗
30
9310128M1600
Oil seal (6e5)
Loading…
↗
31
93315430V500
Bearing, cylindrical(6k0)
Loading…
↗
32
6E5455870130
Shim (t:0.30mm)
Loading…
↗
33
93341930V200
Bearing, thrust(64d)
Loading…
↗
34
932105453400
O-ring (70e)
Loading…
↗
35
6E5453440000
Cover, oil seal
Loading…
↗
36
973950802500
Bolt (62g)
Loading…
↗
37
929900860000
Washer, plain (663)
Loading…
↗
38
6E5455012100
Drive shaft comp.
Loading…
↗
39
6E5455510200
Pinion
Loading…
↗
40
9017016M0100
Nut, hexagon (688)
Loading…
↗
41
6E5455600100
Gear 1 assembly
Loading…
↗
42
93315425U700
Brg,cyl-cal roller (6e5)
Loading…
↗
43
6E5456110100
Shaft, propeller
Loading…
↗
44
6E5456410300
Shifter
Loading…
↗
45
6E5456340100
Slide, shift
Loading…
↗
46
9050116M3700
Spring (6g5)
Loading…
↗
47
935073203100
Ball (12r)
Loading…
↗
48
935113202700
Ball (498)
Loading…
↗
49
935031601000
Ball
Loading…
↗
50
9025008M0700
Pin, straight (6g5)
Loading…
↗
51
6E5456310100
Clutch, dog
Loading…
↗
52
6E5456330100
Ring, cross pin
Loading…
↗
54
93306208U000
Brg,r-b 6208 80mm 345g (6e5)
Loading…
↗
55
6E5455710100
Gear 2
Loading…
↗
56
6E5455760000
Washer, thrust 2
Loading…
↗
57
93315430U800
Bearing
Loading…
↗
58
9310130M1700
Oil seal (6e5)
Loading…
↗
59
9321086M3900
O-ring (6e5)
Loading…
↗
60
6L6455776000
Shim (t:0.50mm)
Loading…
↗
61
9020130M9200
Washer (6g5)
Loading…
↗
62
902820401000
Key, strait(663)
Loading…
↗
63
688453830200
Washer, claw
Loading…
↗
64
688453840000
Nut
Loading…
↗
65
6E5453780000
Nipple, hose
Loading…
↗
66
9044507ME800
Hose (l250)
Loading…
↗
67
6E5835581000
End, nipple
Loading…
↗