Yamaha Outboard Parts - Lower Casing & Drive 1 - 20CMH (1992) | Flood Marine
New Search
Parts
New Outboards
Home
20CMH (1992)
Lower Casing & Drive 1
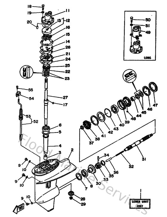
Diagram: Lower Casing & Drive 1
Parts List
Reference
Description
Price
3
93315017U400
Brg,cyl-cal roller (689)
Loading…
↗
4
689455360000
Sleeve Drive Shaft
Loading…
↗
5
664455876000
Shim (t:0.50mm)
Loading…
↗
6
93332000U400
Brg,tapered roller 42mm (689)
Loading…
↗
7
664455676000
Shim (t:0.50mm)
Loading…
↗
8
933320000500
Brg,cyl-cal roller 0.19g nt
Loading…
↗
9
903400800200
Plug, straight screw
Loading…
↗
10
904300802000
Gasket
Loading…
↗
11
689443110300
Housing, water pump
Loading…
↗
12
689W44320200
Insert cartridge comp.
Loading…
↗
13
689443670100
Rubber, water seal 3
Loading…
↗
14
689443230300
Outer plate, cartridge
Loading…
↗
15
68944324A000
Gasket, cartridge
Loading…
↗
16
689443520200
Impeller
Loading…
↗
17
664443380000
Key, woodruff
Loading…
↗
18
9010106M5600
Bolt(jf7)
Loading…
↗
19
9020906M0400
Washer
Loading…
↗
20
9360410M0300
Pin, dowel (688)
Loading…
↗
21
68944325025B
Protector Oil Seal
Loading…
↗
22
9321040M1000
O-ring (682)
Loading…
↗
23
931012206700
Oil seal (22x36x6-663)
Loading…
↗
24
68944315A000
Gasket, water pump
Loading…
↗
25
689453440094
Cover, oil seal
Loading…
↗
26
68944316A000
Gasket, water pump
Loading…
↗
27
689455010000
Drive shaft comp
Loading…
↗
28
689455510000
Pinion
Loading…
↗
29
9017909M0200
Nut (689)
Loading…
↗
30
689455600000
Gear
Loading…
↗
31
689456110100
Shaft, Propeller
Loading…
↗
32
905011006500
Spring compression648456360000
Loading…
↗
33
664456310000
Clutch, dog
Loading…
↗
34
902500501000
Pin straight 648456320000
Loading…
↗
35
648456330000
Ring, cross pin
Loading…
↗
36
648456350000
Plunger,shift
Loading…
↗
37
902012041700
Washer, plate(663)
Loading…
↗
38
689453310194
Housing, bearing
Loading…
↗
40
933060060900
Bearing(2hr)
Loading…
↗
41
664455770130
Shim (t:0.30mm)
Loading…
↗
42
664455760000
Washer, thrust 2
Loading…
↗
44
933152200400
Brg,cyl-cal roller 21g nt
Loading…
↗
45
9310120M0700
Oil seal
Loading…
↗
47
664453840000
Nut
Loading…
↗
48
902820401000
Key, strait(663)
Loading…
↗
49
68944312005B
Cover Water Pump Housing
Loading…
↗
50
973950603500
Bolt(j52)
Loading…
↗
51
929900660000
Washer, plain (646)
Loading…
↗
52
695441501000
Shift cam assembly
Loading…
↗
53
664441470000
Boot, shift rod
Loading…
↗
54
689441760100
Bracket
Loading…
↗
55
977805011000
Screw, tapping(6u1)
Loading…
↗