Yamaha Outboard Parts - Lower Casing & Drive 1 - 20CMH (2001) | Flood Marine
New Search
Parts
New Outboards
Home
20CMH (2001)
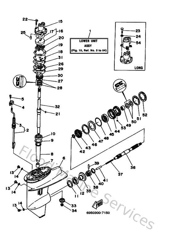
Lower Casing & Drive 1
Diagram: Lower Casing & Drive 1
Parts List
Reference
Description
Price
1
68945300064D
Lower unit assembly
Loading…
↗
2
695441500000
Shift Cam Assembly
Loading…
↗
3
664441470000
Boot, shift rod
Loading…
↗
4
689441760100
Bracket
Loading…
↗
5
977805061000
Screw, tapping(6u1)
Loading…
↗
6
68945311044D
Casing, lower
Loading…
↗
7
93315017U400
Brg,cyl-cal roller (689)
Loading…
↗
8
689455360000
Sleeve Drive Shaft
Loading…
↗
9
664455870130
Shim (t:0.30mm)
Loading…
↗
10
93332000U400
Brg,tapered roller 42mm (689)
Loading…
↗
11
664455670110
Shim (t:0.10mm)
Loading…
↗
12
933320000500
Brg,cyl-cal roller 0.19g nt
Loading…
↗
13
9034008M0400
Plug, straight screw
Loading…
↗
14
904300800300
Gasket
Loading…
↗
15
689443110300
Housing, water pump
Loading…
↗
16
689W44320200
Insert cartridge comp.
Loading…
↗
17
689443670100
Rubber, water seal 3
Loading…
↗
18
689443230300
Outer plate, cartridge
Loading…
↗
19
68944324A000
Gasket, cartridge
Loading…
↗
20
689443520200
Impeller
Loading…
↗
21
664443380000
Key, woodruff
Loading…
↗
22
9011906M0700
Bolt, With Washer
Loading…
↗
23
970950603500
Bolt(j52)
Loading…
↗
24
929950660000
Washer, plain (646)
Loading…
↗
25
9360410M0300
Pin, dowel (688)
Loading…
↗
26
6894432502CA
Protector Oil Seal
Loading…
↗
27
9321040M1000
O-ring (682)
Loading…
↗
28
931012206700
Oil seal (22x36x6-663)
Loading…
↗
29
68944315A000
Gasket, water pump
Loading…
↗
30
689453440094
Cover, oil seal
Loading…
↗
31
68944316A000
Gasket, water pump
Loading…
↗
32
689455011000
Drive shaft comp
Loading…
↗
33
689455510000
Pinion
Loading…
↗
34
9017909M0200
Nut (689)
Loading…
↗
35
689455600000
Gear
Loading…
↗
36
689456110100
Shaft, Propeller
Loading…
↗
37
905011006500
Spring compression648456360000
Loading…
↗
38
6FM456310000
Clutch, dog
Loading…
↗
39
902500501000
Pin straight 648456320000
Loading…
↗
40
648456330000
Ring, cross pin
Loading…
↗
41
648456350000
Plunger,shift
Loading…
↗
42
902012041700
Washer, plate(663)
Loading…
↗
43
689455710000
Gear 2
Loading…
↗
44
689453310194
Housing, bearing
Loading…
↗
45
933060061200
Bearing(2hr)
Loading…
↗
46
664455770130
Shim (t:0.30mm)
Loading…
↗
47
664455760000
Washer, thrust 2
Loading…
↗
48
9321060MA300
O-ring(6j8)
Loading…
↗
49
933152200400
Brg,cyl-cal roller 21g nt
Loading…
↗
50
9310120M0700
Oil seal
Loading…
↗
51
9021445M0200
Washer, claw(6a9)
Loading…
↗
52
664453840200
Nut
Loading…
↗
53
902820401000
Key, strait(663)
Loading…
↗
54
68944312005B
Cover Water Pump Housing
Loading…
↗