Yamaha Outboard Parts - Lower Casing & Drive 1 - 220AETL (1985) | Flood Marine
New Search
Parts
New Outboards
Home
220AETL (1985)
Lower Casing & Drive 1
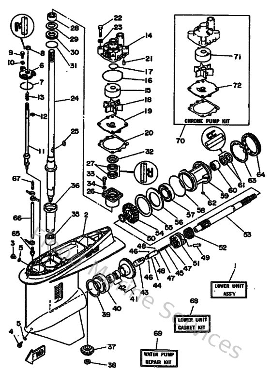
Diagram: Lower Casing & Drive 1
Parts List
Reference
Description
Price
3
903400801400
Plug, straight screw
Loading…
↗
4
9034008M0200
Plug, drain
Loading…
↗
5
904300802000
Gasket
Loading…
↗
6
6E5453210000
Plate
Loading…
↗
7
932105867700
O-ring(47x)
Loading…
↗
8
931060901400
Oil seal
Loading…
↗
9
973950602000
Bolt(7u8)
Loading…
↗
10
9020906M0400
Washer
Loading…
↗
11
6G5441500100
Shift cam assembly
Loading…
↗
12
990010860000
Circlip(2r6)
Loading…
↗
13
9050111M1000
Spring, compression (663)
Loading…
↗
14
6E5443110000
Housing, water pump
Loading…
↗
15
6E5443220000
Insert, cartridge
Loading…
↗
16
9321086M3800
O-ring (6e5)
Loading…
↗
17
932103716000
O-ring (6g8)
Loading…
↗
18
6E5443520100
Impeller
Loading…
↗
19
6G5443230000
Outer plate, cartridge
Loading…
↗
20
6E5443150000
Gasket,water pump
Loading…
↗
21
936061201900
Pin, dowel (614)
Loading…
↗
22
970950804500
Bolt, hexagon
Loading…
↗
23
9020908M0200
Washer, plate (688)
Loading…
↗
24
6G5455010000
Drive shaft comp.
Loading…
↗
25
9028004M0500
Key, woodruff (6e5)
Loading…
↗
26
6E545331009S
Housing, bearing
Loading…
↗
27
9310128M1600
Oil seal (6e5)
Loading…
↗
28
93317330U200
Bearing, cylindrical(6k0)
Loading…
↗
29
6E5455876000
Shim (t:0.50mm)
Loading…
↗
30
93341930U000
Bearing, thrust(64d)
Loading…
↗
31
932105453400
O-ring (70e)
Loading…
↗
32
6E5453440000
Cover, oil seal
Loading…
↗
33
973950802500
Bolt (62g)
Loading…
↗
34
929900860000
Washer, plain (663)
Loading…
↗
35
93311928U500
Bearing, needle (6g5)
Loading…
↗
36
6E5455360000
Sleeve, drive shaft
Loading…
↗
39
6G5455670005
Shim, gear adjust (0.05mm)
Loading…
↗
40
93332000V300
Bearing, taper roller (6g5)
Loading…
↗
42
93315425V300
Bearing, needle (6g5)
Loading…
↗
43
6E5456410100
Shifter
Loading…
↗
44
6E5456340100
Slide, shift
Loading…
↗
45
9050116M3700
Spring (6g5)
Loading…
↗
46
935073200900
Ball (12r)
Loading…
↗
47
935113202700
Ball (498)
Loading…
↗
48
935031600300
Ball
Loading…
↗
49
9025008M0700
Pin, straight (6g5)
Loading…
↗
50
9020130M9200
Washer (6g5)
Loading…
↗
51
6G5456310000
Clutch, dog
Loading…
↗
52
6E5456330100
Ring, cross pin
Loading…
↗
53
6E5456110100
Shaft, propeller
Loading…
↗
54
6G7455710000
Gear 2
Loading…
↗
55
6G5455776000
Shim (t:0.50mm)
Loading…
↗
56
6G5455760000
Washer Thrust 2
Loading…
↗
57
93306209U000
Bearing (6g5)
Loading…
↗
58
9321097M5500
O-ring (6g5)
Loading…
↗
59
6G5453320094
Housing, Bearing
Loading…
↗
60
93315430U800
Bearing
Loading…
↗
61
9310130M1700
Oil seal (6e5)
Loading…
↗
62
902820401000
Key, strait(663)
Loading…
↗
63
6G5453830000
Washer, claw
Loading…
↗
64
6G5453840200
Nut
Loading…
↗
65
6E5453780000
Nipple, hose
Loading…
↗
66
9044507M3100
Hose (l200)
Loading…
↗
67
6E5835580000
End, nipple
Loading…
↗
68
6G5W0001C100
Lower unit gasket kit
Loading…
↗
69
6G5W00780000
Water pump rerair kit
Loading…
↗
71
6E5443224100
Insert, Cartridge
Loading…
↗
72
6G5443234000
Outer plate, cartridge
Loading…
↗