Yamaha Outboard Parts - Lower Casing & Drive 1 - 25JETO (1993) | Flood Marine
New Search
Parts
New Outboards
Home
25JETO (1993)
Lower Casing & Drive 1
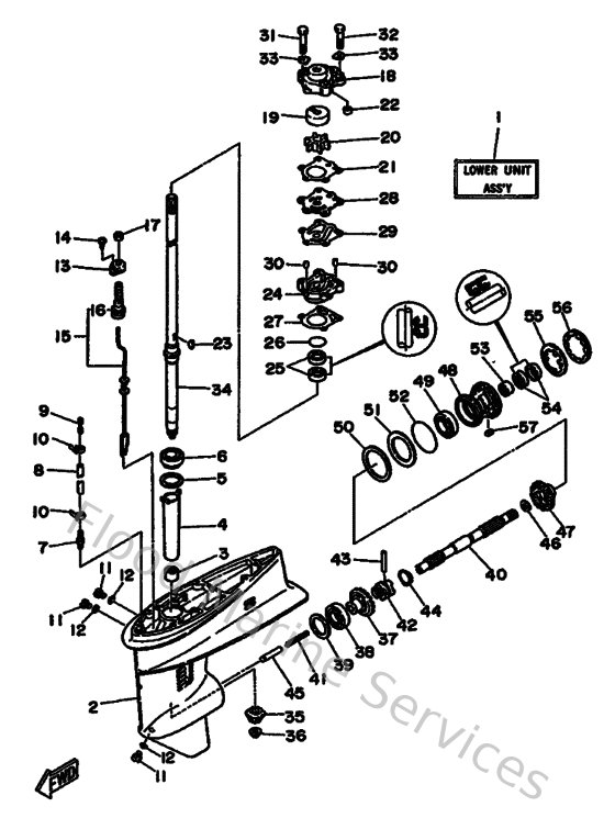
Diagram: Lower Casing & Drive 1
Parts List
Reference
Description
Price
3
93315220V700
Bearing, cylindrical(6j8)
Loading…
↗
4
6J8455360000
Sleeve, drive shaft
Loading…
↗
5
663455876000
Shim (t:0.50mm)
Loading…
↗
6
933320000100
Brg, tapered roller (409)
Loading…
↗
7
6E5453780000
Nipple, hose
Loading…
↗
8
9044507M1900
Hose (l200)
Loading…
↗
9
6E5835580000
End, nipple
Loading…
↗
10
9046511M1000
Clamp
Loading…
↗
11
903400800200
Plug, straight screw
Loading…
↗
12
904300802000
Gasket
Loading…
↗
13
682441760000
Bracket
Loading…
↗
14
977805011000
Screw, tapping(6u1)
Loading…
↗
15
6J8441501000
Shift cam assembly
Loading…
↗
16
682441470000
Boot, shift rod
Loading…
↗
17
953800670000
Nut
Loading…
↗
19
663443220000
Insert, cartridge
Loading…
↗
20
6H4443520200
Impeller
Loading…
↗
21
66344315A000
Gasket,water pump 1
Loading…
↗
22
663443660000
Damper, water seal 2
Loading…
↗
23
902800302400
Key, woodruff(662)
Loading…
↗
24
663443410094
Housing, water pump
Loading…
↗
25
931012307000
Oil seal (663)
Loading…
↗
26
932104104200
O-ring (132)
Loading…
↗
27
66344316A000
Gasket,water pump 2
Loading…
↗
28
663443230000
Outer plate, cartridge
Loading…
↗
29
66344324A000
Gasket,cartridge outer plate
Loading…
↗
30
936040806200
Pin,dowel (626)
Loading…
↗
31
973950805000
Bolt (62k)
Loading…
↗
32
970950804000
Bolt, hexagon
Loading…
↗
33
9020908M0200
Washer, plate (688)
Loading…
↗
34
6J8455010000
Drive shaft comp.
Loading…
↗
35
6J8455510000
Pinion
Loading…
↗
36
9017910M1400
Nut(6j8)
Loading…
↗
37
6J8455600000
Gear
Loading…
↗
38
93332000V600
Bearing(6j8)
Loading…
↗
39
24W175376000
Shim, thrust (0.5t)
Loading…
↗
40
6J8456110000
Shaft, propeller
Loading…
↗
41
905011006500
Spring compression648456360000
Loading…
↗
42
6J8456310000
Clutch, dog
Loading…
↗
43
902500501000
Pin straight 648456320000
Loading…
↗
44
648456331100
Ring, cross pin
Loading…
↗
45
6J8456350000
Plunger, shift
Loading…
↗
46
902012041700
Washer, plate(663)
Loading…
↗
47
6J8455710000
Gear
Loading…
↗
48
689453310194
Housing, bearing
Loading…
↗
49
933060061200
Bearing(2hr)
Loading…
↗
50
664455776000
Shim (t:0.50mm)
Loading…
↗
51
664455760000
Washer, thrust 2
Loading…
↗
52
9321060MA300
O-ring(6j8)
Loading…
↗
53
933152200400
Brg,cyl-cal roller 21g nt
Loading…
↗
54
9310120M0700
Oil seal
Loading…
↗
55
9021445M0200
Washer, claw(6a9)
Loading…
↗
56
664453840000
Nut
Loading…
↗
57
902820401000
Key, strait(663)
Loading…
↗