Yamaha Outboard Parts - Lower Casing & Drive 1 - 25NEMO (1993) | Flood Marine
New Search
Parts
New Outboards
Home
25NEMO (1993)
Lower Casing & Drive 1
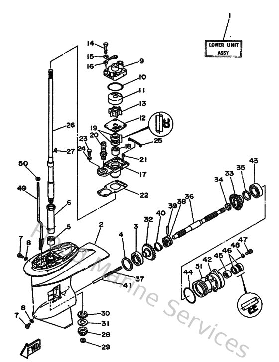
Diagram: Lower Casing & Drive 1
Parts List
Reference
Description
Price
3
933320000500
Brg,cyl-cal roller 0.19g nt
Loading…
↗
4
6L2455672000
Shim (t:1.2mm)
Loading…
↗
5
93315220V900
Bearing, cylindrical(6l2)
Loading…
↗
6
6L2455360000
Sleeve, drive shaft
Loading…
↗
7
903400800200
Plug, straight screw
Loading…
↗
8
904300802000
Gasket
Loading…
↗
9
6L2443110000
Housing, water pump
Loading…
↗
10
932104516100
O-ring
Loading…
↗
11
6L2443220000
Insert, cartridge
Loading…
↗
13
6L2443520000
Impeller
Loading…
↗
14
970950604000
Bolt (682)
Loading…
↗
15
929900660000
Washer, plain (646)
Loading…
↗
16
6L2443280000
Plate
Loading…
↗
17
6L245331005B
Housing, bearing
Loading…
↗
18
933152200400
Brg,cyl-cal roller 21g nt
Loading…
↗
19
931012004800
Oil seal (20x30x6-648)
Loading…
↗
20
6L2441470000
Boot, shift rod
Loading…
↗
21
9360410M0300
Pin, dowel (688)
Loading…
↗
22
6L245315A000
Packing,l0wer casing
Loading…
↗
23
973950602000
Bolt(7u8)
Loading…
↗
25
6L2453750000
Damper, seal
Loading…
↗
26
6L2455100000
Drive shaft assembly
Loading…
↗
27
902800302400
Key, woodruff(662)
Loading…
↗
28
6L2455510100
Pinion
Loading…
↗
29
9017910M1400
Nut(6j8)
Loading…
↗
30
93341320U000
Bearing, thrust (6l2)
Loading…
↗
31
6L2455870015
Shim (t:1.5mm)
Loading…
↗
32
6L2455600000
Gear
Loading…
↗
33
6L2455710000
Gear
Loading…
↗
34
902012041700
Washer, plate(663)
Loading…
↗
35
6L2455770010
Shim (t:1.0mm)
Loading…
↗
36
6L2456110000
Shaft, propeller
Loading…
↗
37
905011006500
Spring compression648456360000
Loading…
↗
38
6L2456310000
Clutch, dog
Loading…
↗
39
902500501000
Pin straight 648456320000
Loading…
↗
40
648456330000
Ring, cross pin
Loading…
↗
41
648456350000
Plunger,shift
Loading…
↗
42
6L245361038D
Cap, lower casing
Loading…
↗
43
933060060900
Bearing(2hr)
Loading…
↗
44
9321060MA300
O-ring(6j8)
Loading…
↗
46
9310120M0700
Oil seal
Loading…
↗
49
6L2441500000
Shift cam assembly
Loading…
↗
50
953800660000
Nut(661)
Loading…
↗
51
9321060M9900
O-ring(6t3)
Loading…
↗