Yamaha Outboard Parts - Lower Casing & Drive 1 - 25QEO (1992) | Flood Marine
New Search
Parts
New Outboards
Home
25QEO (1992)
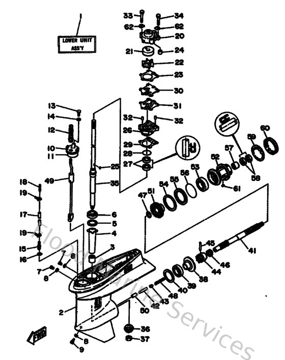
Lower Casing & Drive 1
Diagram: Lower Casing & Drive 1
Parts List
Reference
Description
Price
3
933153222400
Brg,cyl-cal roller 42.2g nk
Loading…
↗
4
6H4455360000
Sleeve, drive shaft
Loading…
↗
5
663455876000
Shim (t:0.50mm)
Loading…
↗
6
933320000100
Brg, tapered roller (409)
Loading…
↗
7
9034008M0400
Plug, straight screw
Loading…
↗
8
904300802000
Gasket
Loading…
↗
9
688453410000
Plug, drain
Loading…
↗
10
6H4453210100
Plate
Loading…
↗
11
932104904600
O-ring (620)
Loading…
↗
12
6G1441470000
Boot, shift rod
Loading…
↗
13
973950601600
Bolt, hexagon deep recess
Loading…
↗
14
929900660000
Washer, plain (646)
Loading…
↗
15
6H4453780000
Nipple, Hose
Loading…
↗
16
9020910M1400
Washer
Loading…
↗
17
9044507ME900
Hose (l250)
Loading…
↗
18
6E5835581000
End, nipple
Loading…
↗
19
9046511M1000
Clamp
Loading…
↗
20
6J8443110000
Housing, water pump
Loading…
↗
21
663443220000
Insert, cartridge
Loading…
↗
22
6H4443520200
Impeller
Loading…
↗
23
66344315A000
Gasket,water pump 1
Loading…
↗
24
663443660000
Damper, water seal 2
Loading…
↗
25
902800302400
Key, woodruff(662)
Loading…
↗
26
663443410094
Housing, water pump
Loading…
↗
27
931012307000
Oil seal (663)
Loading…
↗
28
932104104200
O-ring (132)
Loading…
↗
29
66344316A000
Gasket,water pump 2
Loading…
↗
30
663443230000
Outer plate, cartridge
Loading…
↗
31
66344324A000
Gasket,cartridge outer plate
Loading…
↗
32
936040806200
Pin,dowel (626)
Loading…
↗
33
973950805500
Bolt, hexagon
Loading…
↗
34
970950804500
Bolt, hexagon
Loading…
↗
36
6H4455510000
Pinion
Loading…
↗
37
901701213800
Nut hexagon(663)
Loading…
↗
38
6H4455600000
Gear
Loading…
↗
40
6H4455670150
Shim (T:0.50Mm)
Loading…
↗
41
679456110100
Shaft, propeller
Loading…
↗
42
676456350000
Plunger, shift
Loading…
↗
43
663456340000
Slide, shift
Loading…
↗
44
663456310100
Clutch, dog
Loading…
↗
45
902500602300
Pin, strait (663)
Loading…
↗
46
663456330000
Ring, cross pin
Loading…
↗
47
902012242900
Washer, plate(663)
Loading…
↗
48
9050116M0100
Spring compression
Loading…
↗
49
6H4441500100
Shift Cam Assembly
Loading…
↗
50
6H4441600000
Detent Comp
Loading…
↗
51
6H4455710000
Gear
Loading…
↗
52
679453310000
Housing, bearing
Loading…
↗
53
933060070200
Brg,r-b 6007 62mm 150g ky
Loading…
↗
54
663455770130
Shim (t:0.30mm)
Loading…
↗
55
663455760000
Washer, thrust 2
Loading…
↗
56
9321066M9800
O-ring(6h4)
Loading…
↗
57
933172220400
Brg,cyl-cal roller 25.5g nt
Loading…
↗
58
931012206700
Oil seal (22x36x6-663)
Loading…
↗