Yamaha Outboard Parts - Lower Casing & Drive 1 - 30DMH (1987) | Flood Marine
New Search
Parts
New Outboards
Home
30DMH (1987)
Lower Casing & Drive 1
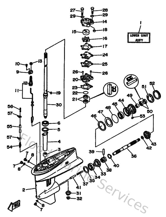
Diagram: Lower Casing & Drive 1
Parts List
Reference
Description
Price
3
93315220V700
Bearing, cylindrical(6j8)
Loading…
↗
4
6J8455360000
Sleeve, drive shaft
Loading…
↗
5
663455876000
Shim (t:0.50mm)
Loading…
↗
6
933320002300
Brg, tapered roller (409)
Loading…
↗
7
903400800200
Plug, straight screw
Loading…
↗
8
904300802000
Gasket
Loading…
↗
9
682441760000
Bracket
Loading…
↗
10
977805051000
Screw, tapping(6u1)
Loading…
↗
11
6J8441501000
Shift cam assembly
Loading…
↗
12
682441470000
Boot, shift rod
Loading…
↗
13
953800670000
Nut
Loading…
↗
14
6J8443110000
Housing, water pump
Loading…
↗
15
663443220000
Insert, cartridge
Loading…
↗
16
6H4443520000
Impeller
Loading…
↗
17
663443150000
Gasket,water pump 1
Loading…
↗
18
663443660000
Damper, water seal 2
Loading…
↗
19
902800302400
Key, woodruff(662)
Loading…
↗
20
663443410000
Housing, water pump
Loading…
↗
21
931012307000
Oil seal (663)
Loading…
↗
22
932104104200
O-ring (132)
Loading…
↗
23
663443160000
Gasket,water pump 2
Loading…
↗
24
663443230000
Outer plate, cartridge
Loading…
↗
25
663443240000
Gasket,cartridge outer plate
Loading…
↗
26
936040806200
Pin,dowel (626)
Loading…
↗
27
973950805000
Bolt (62k)
Loading…
↗
28
970950804000
Bolt, hexagon
Loading…
↗
29
9020908M0200
Washer, plate (688)
Loading…
↗
30
6J8455010000
Drive shaft comp.
Loading…
↗
31
6J8455510000
Pinion
Loading…
↗
32
9017910M1400
Nut(6j8)
Loading…
↗
33
6J8455600000
Gear
Loading…
↗
34
93332000V600
Bearing(6j8)
Loading…
↗
35
24W175376000
Shim, thrust (0.5t)
Loading…
↗
36
6J8456110000
Shaft, propeller
Loading…
↗
37
905011006500
Spring compression648456360000
Loading…
↗
38
6J8456310000
Clutch, dog
Loading…
↗
39
902500501000
Pin straight 648456320000
Loading…
↗
40
648456330000
Ring, cross pin
Loading…
↗
41
6J8456350000
Plunger, shift
Loading…
↗
42
902012041700
Washer, plate(663)
Loading…
↗
43
6J8455710000
Gear
Loading…
↗
44
689453310100
Housing, bearing
Loading…
↗
45
933060060900
Bearing(2hr)
Loading…
↗
46
664455776000
Shim (t:0.50mm)
Loading…
↗
47
664455760000
Washer, thrust 2
Loading…
↗
48
9321060MA300
O-ring(6j8)
Loading…
↗
49
933152200400
Brg,cyl-cal roller 21g nt
Loading…
↗
50
9310120M0700
Oil seal
Loading…
↗
51
9021445M0000
Washer, claw(6a9)
Loading…
↗
52
664453840200
Nut
Loading…
↗
53
902820401000
Key, strait(663)
Loading…
↗
54
6E5453780000
Nipple, hose
Loading…
↗
55
9044507M1900
Hose (l200)
Loading…
↗
56
6E5835580000
End, nipple
Loading…
↗
57
9046511M1000
Clamp
Loading…
↗