Yamaha Outboard Parts - Lower Casing & Drive 1 - 40HM (1992) | Flood Marine
New Search
Parts
New Outboards
Home
40HM (1992)
Lower Casing & Drive 1
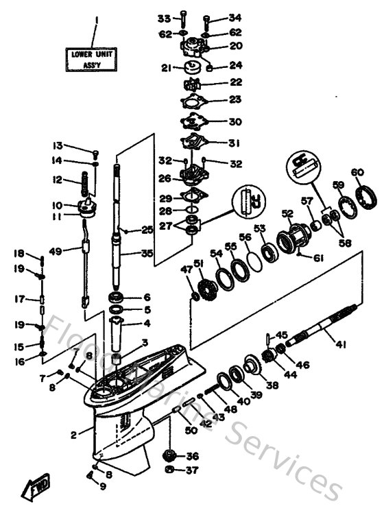
Diagram: Lower Casing & Drive 1
Parts List
Reference
Description
Price
4
6H4455360000
Sleeve, drive shaft
Loading…
↗
5
663455876000
Shim (t:0.50mm)
Loading…
↗
6
933320002300
Brg, tapered roller (409)
Loading…
↗
7
903400800200
Plug, straight screw
Loading…
↗
8
904300802000
Gasket
Loading…
↗
9
688453410000
Plug, drain
Loading…
↗
10
6H4453210100
Plate
Loading…
↗
12
6G1441470000
Boot, shift rod
Loading…
↗
13
970950601600
Bolt, hexagon deep recess
Loading…
↗
14
929900660000
Washer, plain (646)
Loading…
↗
15
6H4453780000
Nipple, Hose
Loading…
↗
16
9020910M1400
Washer
Loading…
↗
17
9044507M1900
Hose (l200)
Loading…
↗
18
6E5835580000
End, nipple
Loading…
↗
19
9046511M1000
Clamp
Loading…
↗
20
6J8443110000
Housing, water pump
Loading…
↗
21
663443220000
Insert, cartridge
Loading…
↗
22
6H4443520200
Impeller
Loading…
↗
24
663443660000
Damper, water seal 2
Loading…
↗
25
902800302400
Key, woodruff(662)
Loading…
↗
26
663443410094
Housing, water pump
Loading…
↗
27
932104104200
O-ring (132)
Loading…
↗
30
663443230000
Outer plate, cartridge
Loading…
↗
31
663443240000
Gasket,cartridge outer plate
Loading…
↗
32
936040806200
Pin,dowel (626)
Loading…
↗
33
970950805500
Bolt, hexagon
Loading…
↗
34
973950804500
Bolt, hexagon
Loading…
↗
36
6H4455510000
Pinion
Loading…
↗
37
901701213800
Nut hexagon(663)
Loading…
↗
38
6H4455600000
Gear
Loading…
↗
40
6H4455670110
Shim (T:0.10Mm)
Loading…
↗
41
679456110100
Shaft, propeller
Loading…
↗
42
676456350000
Plunger, shift
Loading…
↗
43
663456340000
Slide, shift
Loading…
↗
44
6H4456310000
Clutch, dog
Loading…
↗
45
902500602300
Pin, strait (663)
Loading…
↗
46
663456330000
Ring, cross pin
Loading…
↗
47
902012242900
Washer, plate(663)
Loading…
↗
48
9050116M0100
Spring compression
Loading…
↗
49
6H4441500100
Shift Cam Assembly
Loading…
↗
50
6H4441600000
Detent Comp
Loading…
↗
52
679453310000
Housing, bearing
Loading…
↗
53
933060070200
Brg,r-b 6007 62mm 150g ky
Loading…
↗
54
663455776000
Shim (t:0.50mm)
Loading…
↗
55
663455760000
Washer, thrust 2
Loading…
↗
56
9321066M9800
O-ring(6h4)
Loading…
↗
57
933172220400
Brg,cyl-cal roller 25.5g nt
Loading…
↗
58
931012206700
Oil seal (22x36x6-663)
Loading…
↗
59
9021448M0300
Washer, claw(697)
Loading…
↗
60
697453840000
Nut
Loading…
↗
61
902820401000
Key, strait(663)
Loading…
↗
62
9020908M0200
Washer, plate (688)
Loading…
↗