Yamaha Outboard Parts - Lower Casing & Drive 1 - 40VMO (1997) | Flood Marine
New Search
Parts
New Outboards
Home
40VMO (1997)
Lower Casing & Drive 1
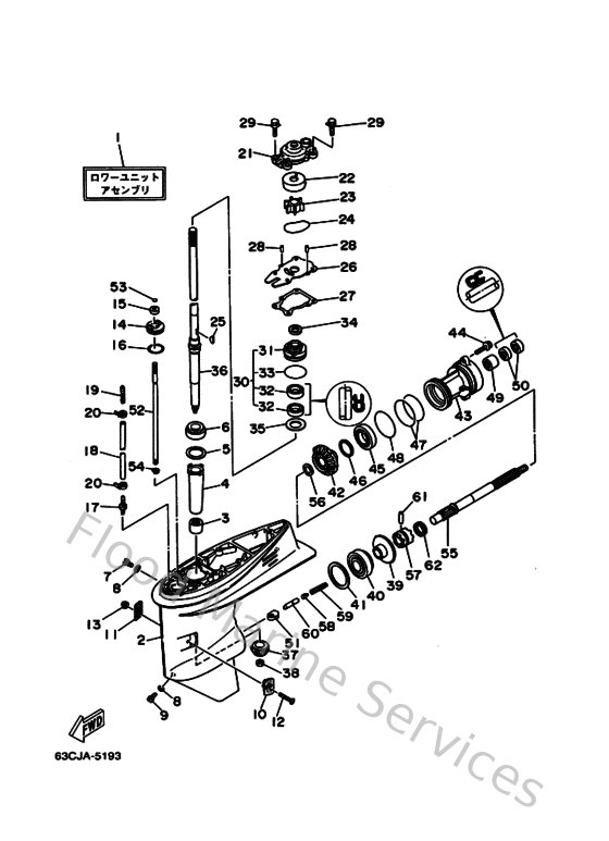
Diagram: Lower Casing & Drive 1
Parts List
Reference
Description
Price
1
63D45300104D
Lower unit assembly
Loading…
↗
2
63D45301014D
Casing, lower
Loading…
↗
3
933153222400
Brg,cyl-cal roller 42.2g nk
Loading…
↗
4
6H4455360000
Sleeve, drive shaft
Loading…
↗
5
663455876000
Shim (t:0.50mm)
Loading…
↗
6
933320000100
Brg, tapered roller (409)
Loading…
↗
7
9034008M0400
Plug, straight screw
Loading…
↗
8
904300802000
Gasket
Loading…
↗
9
688453411000
Plug, drain
Loading…
↗
12
9014205M0600
Screw, countersunk
Loading…
↗
13
953800560000
Nut, hexagon (663)
Loading…
↗
14
63D453210000
Plate
Loading…
↗
15
931060901400
Oil seal
Loading…
↗
16
9321033MG400
O-ring
Loading…
↗
17
6E5453780000
Nipple, hose
Loading…
↗
18
9044507M3100
Hose (l200)
Loading…
↗
19
6E5835580000
End, nipple
Loading…
↗
20
904651009800
Clamp
Loading…
↗
22
63D443220000
Insert, cartridge
Loading…
↗
23
6H3443520000
Impellar
Loading…
↗
24
9321059MG700
O-ring
Loading…
↗
25
902800302400
Key, woodruff(662)
Loading…
↗
27
63D443160000
Gasket, water pump
Loading…
↗
28
936040806200
Pin,dowel (626)
Loading…
↗
29
9011908M1500
Bolt, with washer(62w)
Loading…
↗
30
63DW44340000
Water pump housing assembly
Loading…
↗
31
63D443410000
Housing, water pump set
Loading…
↗
32
9310125M5700
Oil seal
Loading…
↗
33
9321048MG800
O-ring
Loading…
↗
34
63D453440000
Cover, oil seal
Loading…
↗
35
9020127M0000
Washer, plate(62x)
Loading…
↗
36
63D455011000
Drive shaft comp.
Loading…
↗
37
6H4455510100
Pinion
Loading…
↗
38
901701213800
Nut hexagon(663)
Loading…
↗
39
6H4455600100
Gear
Loading…
↗
40
933320000300
Brg,cyl-cal roller 318g ky
Loading…
↗
41
663455676000
Shim (t:0.50mm)
Loading…
↗
42
6H4455710100
Gear
Loading…
↗
43
63D45361014D
Cap, lower casing
Loading…
↗
44
9010508M6100
Bolt, washer based(62x)
Loading…
↗
45
93306001U100
Bearing(62x)
Loading…
↗
46
63D455770012
Shim (t:0.12mm)
Loading…
↗
47
9321074MG500
O-ring (xea)
Loading…
↗
48
9321069MG600
O-ring
Loading…
↗
49
933172220400
Brg,cyl-cal roller 25.5g nt
Loading…
↗
50
931012206700
Oil seal (22x36x6-663)
Loading…
↗
51
663441510000
Cam, shift
Loading…
↗
52
63D441440000
Rod, shift
Loading…
↗
53
932100754000
O-ring (11m)
Loading…
↗
54
990010860000
Circlip(2r6)
Loading…
↗
56
902012242900
Washer, plate(663)
Loading…
↗
57
63D456310100
Clutch, dog
Loading…
↗
58
663456340000
Slide, shift
Loading…
↗
59
9050116M0100
Spring compression
Loading…
↗
60
63D456350000
Plunger, shift
Loading…
↗
61
902500602300
Pin, strait (663)
Loading…
↗
62
663456330000
Ring, cross pin
Loading…
↗