Yamaha Outboard Parts - Lower Casing & Drive 1 - 6CEM (1988) | Flood Marine
New Search
Parts
New Outboards
Home
6CEM (1988)
Lower Casing & Drive 1
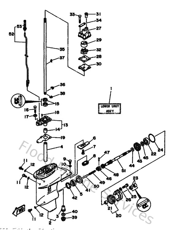
Diagram: Lower Casing & Drive 1
Parts List
Reference
Description
Price
1
6G14530001EJ
Lower unit assembly
Loading…
↗
3
6G1453170900
Bushing, drive shaft 2
Loading…
↗
4
9038714M4900
Collar (6g1)
Loading…
↗
6
6G1452510100
Anode,set
Loading…
↗
7
973950601200
Bolt(gh1)
Loading…
↗
8
6E0452511200
Anode
Loading…
↗
9
973950601600
Bolt, hexagon deep recess
Loading…
↗
10
929900660000
Washer, plain (646)
Loading…
↗
11
9034008M0400
Plug, straight screw
Loading…
↗
12
904300800300
Gasket
Loading…
↗
13
6G145331019M
Housing, bearing 1
Loading…
↗
14
6G1453160900
Bushing, drive shaft 1
Loading…
↗
15
9310111M2300
Oil seal (6g1)
Loading…
↗
16
970800603000
Bolt(jf7)
Loading…
↗
19
6G1453150000
Packing, lower casing
Loading…
↗
20
6G14536100EJ
Cap, lower casing set(6g1)
Loading…
↗
21
6G1453620900
Bushing, lower casing cap
Loading…
↗
22
93306004U000
Bearing (7k2)
Loading…
↗
23
931011507400
Oil seal (655)
Loading…
↗
24
932104904600
O-ring (620)
Loading…
↗
25
970950601600
Bolt, hexagon deep recess
Loading…
↗
27
6G1443110000
Housing, water pump
Loading…
↗
28
6G1443150000
Gasket,water pump
Loading…
↗
29
6G1443224000
Insert, cartridge
Loading…
↗
30
6G1443230000
Outer plate, cartridge
Loading…
↗
31
647443660000
Damper, water seal 2
Loading…
↗
32
6G1443520000
Impeller
Loading…
↗
33
970800604500
Bolt, hexagon
Loading…
↗
34
6G1443280000
Plate
Loading…
↗
35
6G1455112000
Shaft, Drive (Ul.lng)
Loading…
↗
36
9046709M0500
Clip (6g1)
Loading…
↗
37
902800302400
Key, woodruff(662)
Loading…
↗
38
990010660000
Circlip(53l)
Loading…
↗
40
6G1455332000
Shim (t:2.1mm)
Loading…
↗
41
6G1455600000
Gear 1 (27t)
Loading…
↗
42
664455870130
Shim (t:0.30mm)
Loading…
↗
43
6G1455710000
Gear 2
Loading…
↗
44
9020115M8900
Washer, plate (6g1)
Loading…
↗
46
6G1456310000
Clutch, dog
Loading…
↗
47
6G1456320000
Cross, pin
Loading…
↗
48
654456330000
Ring, cross pin
Loading…
↗
49
9050112M3800
Spring, compression(6g1)
Loading…
↗
50
6G1456350000
Plunger, shift
Loading…
↗
51
6G1456110100
Shaft, propellar
Loading…
↗
52
6N0G41502000
Shift Cam assembly
Loading…
↗
53
6G1441470000
Boot, shift rod
Loading…
↗