Yamaha Outboard Parts - Lower Casing & Drive 1 - 6CEM (1993) | Flood Marine
New Search
Parts
New Outboards
Home
6CEM (1993)
Lower Casing & Drive 1
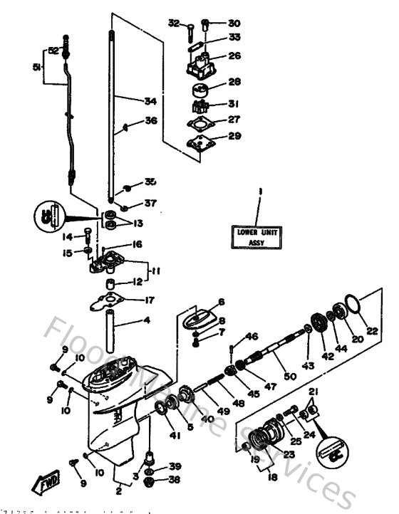
Diagram: Lower Casing & Drive 1
Parts List
Reference
Description
Price
1
6G14530003EJ
Lower unit assembly
Loading…
↗
3
6G1453170900
Bushing, drive shaft 2
Loading…
↗
4
9038714M4900
Collar (6g1)
Loading…
↗
5
93332000U400
Brg,tapered roller 42mm (689)
Loading…
↗
6
6G1452510300
Anode
Loading…
↗
7
970950601600
Bolt, hexagon deep recess
Loading…
↗
8
929900660000
Washer, plain (646)
Loading…
↗
9
9034008M0400
Plug, straight screw
Loading…
↗
10
904300802000
Gasket
Loading…
↗
11
6G14533101CA
Housing, bearing 1
Loading…
↗
12
6G1453160900
Bushing, drive shaft 1
Loading…
↗
13
9310111M2300
Oil seal (6g1)
Loading…
↗
14
973950603000
Bolt(jf7)
Loading…
↗
16
936040806200
Pin,dowel (626)
Loading…
↗
17
6G145315A000
Packing, lower casing
Loading…
↗
18
6G14536101EJ
Cap, Lower Casing
Loading…
↗
19
6G1453620900
Bushing, lower casing cap
Loading…
↗
20
93306004U000
Bearing (7k2)
Loading…
↗
21
931011507400
Oil seal (655)
Loading…
↗
22
932104904600
O-ring (620)
Loading…
↗
23
932105367900
O-ring(50m)
Loading…
↗
24
973950601600
Bolt, hexagon deep recess
Loading…
↗
26
6G1443110000
Housing, water pump
Loading…
↗
27
6G144315A000
Gasket,water pump
Loading…
↗
28
6G1443220000
Insert, cartridge
Loading…
↗
29
6G1443230000
Outer plate, cartridge
Loading…
↗
30
647443660000
Damper, water seal 2
Loading…
↗
31
6G1443520000
Impeller
Loading…
↗
32
970800604500
Bolt, hexagon
Loading…
↗
33
6G1443280000
Plate
Loading…
↗
34
6G1455112000
Shaft, Drive (Ul.lng)
Loading…
↗
35
9046709M0500
Clip (6g1)
Loading…
↗
36
902800302400
Key, woodruff(662)
Loading…
↗
37
990010660000
Circlip(53l)
Loading…
↗
38
6G1455510000
Pinion
Loading…
↗
39
6G1455333000
Shim (t:2.2mm)
Loading…
↗
40
6G1455600000
Gear 1 (27t)
Loading…
↗
41
664455873000
Shim (t:0.18mm)
Loading…
↗
42
6G1455710000
Gear 2
Loading…
↗
43
9020115M8900
Washer, plate (6g1)
Loading…
↗
44
647455670000
Shim, gear adjust
Loading…
↗
45
6G1456310000
Clutch, dog
Loading…
↗
46
6G1456320000
Cross, pin
Loading…
↗
47
654456330000
Ring, cross pin
Loading…
↗
48
9050112M3800
Spring, compression(6g1)
Loading…
↗
49
6G1456350000
Plunger, shift
Loading…
↗
50
6G1456110100
Shaft, propellar
Loading…
↗
51
6N0G41502000
Shift Cam assembly
Loading…
↗
52
6G1441470000
Boot, shift rod
Loading…
↗