Yamaha Outboard Parts - Lower Casing & Drive 1 - 90AETOL (1987) | Flood Marine
New Search
Parts
New Outboards
Home
90AETOL (1987)
Lower Casing & Drive 1
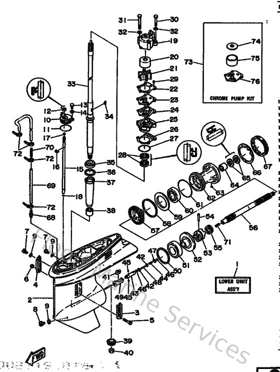
Diagram: Lower Casing & Drive 1
Parts List
Reference
Description
Price
2
6H14530101EJ
Casing, Lower
Loading…
↗
3
688452140100
Cover, water inlet
Loading…
↗
4
688452150100
Cover, water inlet
Loading…
↗
5
9015105M0000
Screw, countersunk(692)
Loading…
↗
6
901850500200
Nut nylon (sus)(ex4)
Loading…
↗
7
903400801400
Plug, straight screw
Loading…
↗
8
688453411000
Plug, drain
Loading…
↗
9
904300802000
Gasket
Loading…
↗
10
688453210000
Plate
Loading…
↗
11
932104904600
O-ring (620)
Loading…
↗
12
931060901400
Oil seal
Loading…
↗
13
970950601600
Bolt, hexagon deep recess
Loading…
↗
14
929900660000
Washer, plain (646)
Loading…
↗
15
6H1441440000
Rod, shift 2
Loading…
↗
16
934300800600
Circlip(2r6)
Loading…
↗
17
932100700300
O-ring (11m)
Loading…
↗
19
688443110100
Housing, water pump 1
Loading…
↗
20
688443220000
Insert, cartridge
Loading…
↗
21
688443520300
Impeller
Loading…
↗
22
688443150000
Gasket,water pump 1
Loading…
↗
23
688443230000
Outer plate, cartridge
Loading…
↗
24
68844324A000
Gasket,cartridge 0uter plate
Loading…
↗
25
688443410094
Housing, water pump set
Loading…
↗
26
688443160100
Gasket,water pump 2
Loading…
↗
27
932104604400
O-ring
Loading…
↗
28
9310125M0300
Oil seal
Loading…
↗
29
9360410M0300
Pin, dowel (688)
Loading…
↗
30
973950805000
Bolt (62k)
Loading…
↗
31
973950807000
Bolt, hexagon
Loading…
↗
33
688455012200
Drive shaft comp.
Loading…
↗
34
9028004M0400
Key, woodruff (688)
Loading…
↗
35
93332000U300
Brg,tapered roller 50mm (688)
Loading…
↗
36
688455876000
Shim (t:0.50mm)
Loading…
↗
37
688455360100
Sleeve, drive shaft
Loading…
↗
38
93315325V100
Bearing, needle (688)
Loading…
↗
39
688455510100
Pinion
Loading…
↗
40
9017016M0100
Nut, hexagon (688)
Loading…
↗
41
6H1441510000
Cam, shift
Loading…
↗
42
6H1456350000
Plunger, shift
Loading…
↗
43
6H1456340100
Slide, Shift
Loading…
↗
44
9050112M4800
Spring (6h1)
Loading…
↗
45
935031600300
Ball
Loading…
↗
46
9018302M0300
Nut, spring (6h1)
Loading…
↗
47
902010331300
Washer, plate 8077743700
Loading…
↗
48
6H1456680000
Shaft, free 1
Loading…
↗
49
6H1456410100
Shifter
Loading…
↗
50
688455676000
Shim (t:0.50mm)
Loading…
↗
51
93332000U500
Bearing(6b0)
Loading…
↗
53
6H1456310000
Clutch, Dog
Loading…
↗
54
9025007M0200
Pin, straight (688)
Loading…
↗
56
688456330000
Ping, cross pin
Loading…
↗
57
6H1455710000
Gear 2
Loading…
↗
58
688455776000
Shim (t:0.50mm)
Loading…
↗
59
688455760000
Washer, thrust 2
Loading…
↗
60
93306207U000
Brg,r-b 6207 72mm 280g (688)
Loading…
↗
61
9321085M1500
O-ring(6h1)
Loading…
↗
62
6884533100CA
Housing, bearing
Loading…
↗
63
902820401000
Key, strait(663)
Loading…
↗
64
93317325U000
Brg,needle
Loading…
↗
66
688453830100
Washer, claw
Loading…
↗
67
688453840200
Nut
Loading…
↗
68
6E5453780000
Nipple, hose
Loading…
↗
69
9044507ME900
Hose (l250)
Loading…
↗
70
6E5835581000
End, nipple
Loading…
↗
71
9050112M6000
Spring, Compression
Loading…
↗
72
904651009800
Clamp
Loading…
↗
73
688W00781A00
Chrome pump kit
Loading…
↗
74
688443214100
Inner plate, cartridge
Loading…
↗
75
688443224100
Insert, cartridge
Loading…
↗
76
688443234000
Outer plate, cartridge
Loading…
↗