Yamaha Outboard Parts - Lower Casing & Drive 1 - 90AETOL (1992) | Flood Marine
New Search
Parts
New Outboards
Home
90AETOL (1992)
Lower Casing & Drive 1
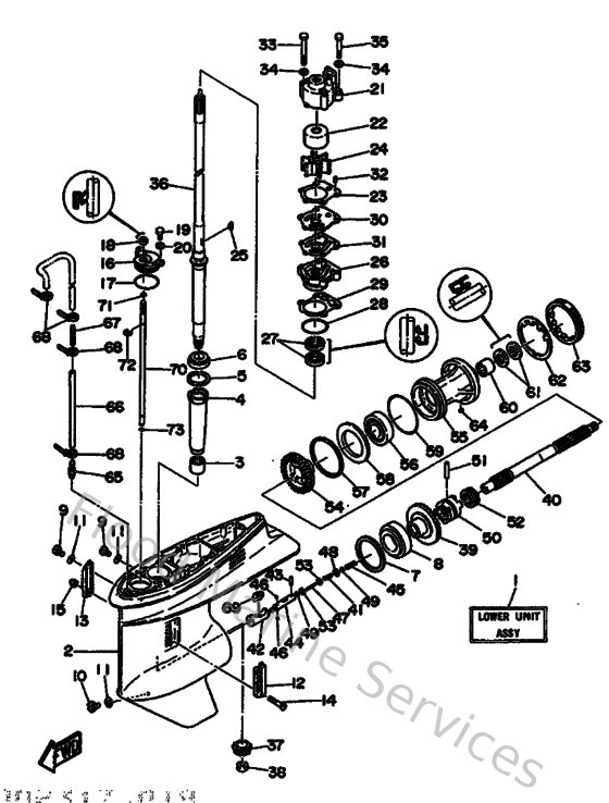
Diagram: Lower Casing & Drive 1
Parts List
Reference
Description
Price
2
6H14530102EJ
Casing, Lower
Loading…
↗
3
93315325V100
Bearing, needle (688)
Loading…
↗
4
688455360100
Sleeve, drive shaft
Loading…
↗
5
688455870130
Shim (t:0.30mm)
Loading…
↗
6
93332000U300
Brg,tapered roller 50mm (688)
Loading…
↗
7
688455676000
Shim (t:0.50mm)
Loading…
↗
8
93332000U500
Bearing(6b0)
Loading…
↗
9
903400800200
Plug, straight screw
Loading…
↗
10
688453410000
Plug, drain
Loading…
↗
11
904300802000
Gasket
Loading…
↗
12
688452140200
Cover, water inlet
Loading…
↗
13
688452150200
Cover, water inlet
Loading…
↗
14
986800554500
Screw, countersunk(692)
Loading…
↗
15
901850590400
Nut nylon (sus)(ex4)
Loading…
↗
16
688453210000
Plate
Loading…
↗
17
932104904600
O-ring (620)
Loading…
↗
18
931060901400
Oil seal
Loading…
↗
19
973950601600
Bolt, hexagon deep recess
Loading…
↗
20
929900660000
Washer, plain (646)
Loading…
↗
21
688443110100
Housing, water pump 1
Loading…
↗
22
688443220000
Insert, cartridge
Loading…
↗
23
68844315A000
Gasket,water pump 1
Loading…
↗
24
688443520300
Impeller
Loading…
↗
25
9028004M0400
Key, woodruff (688)
Loading…
↗
26
688443410094
Housing, water pump set
Loading…
↗
27
9310125M0300
Oil seal
Loading…
↗
28
932104604400
O-ring
Loading…
↗
29
68844316A000
Gasket,water pump 2
Loading…
↗
30
688443230000
Outer plate, cartridge
Loading…
↗
31
68844324A000
Gasket,cartridge 0uter plate
Loading…
↗
32
9360410M0300
Pin, dowel (688)
Loading…
↗
33
973950807000
Bolt, hexagon
Loading…
↗
34
9020908M0200
Washer, plate (688)
Loading…
↗
35
973950805000
Bolt (62k)
Loading…
↗
36
6H1455011100
Drive shaft comp.
Loading…
↗
37
688455510100
Pinion
Loading…
↗
38
9017016M0100
Nut, hexagon (688)
Loading…
↗
39
688455600000
Gear 1 (26t)
Loading…
↗
40
6H1456110100
Shaft, propeller
Loading…
↗
41
9050112M4800
Spring (6h1)
Loading…
↗
42
6H1456410100
Shifter
Loading…
↗
43
9360312M1100
Pin, dowel(6h1)
Loading…
↗
44
6H1456340200
Slide, shift
Loading…
↗
45
9050116M6500
Spring, compression(6h1)
Loading…
↗
46
935031600300
Ball
Loading…
↗
47
6H1456680000
Shaft, free 1
Loading…
↗
48
902010331300
Washer, plate 8077743700
Loading…
↗
49
9018302M0300
Nut, spring (6h1)
Loading…
↗
50
6H1456310100
Clutch, dog
Loading…
↗
51
9025007M0200
Pin, straight (688)
Loading…
↗
52
688456330000
Ping, cross pin
Loading…
↗
53
6H1456350000
Plunger, shift
Loading…
↗
54
6H1455710000
Gear 2
Loading…
↗
55
6884533100CA
Housing, bearing
Loading…
↗
56
93306207U000
Brg,r-b 6207 72mm 280g (688)
Loading…
↗
57
688455776000
Shim (t:0.50mm)
Loading…
↗
58
688455760000
Washer, thrust 2
Loading…
↗
59
9321085M9700
O-ring(6h1)
Loading…
↗
60
93317325U000
Brg,needle
Loading…
↗
62
688453830200
Washer, claw
Loading…
↗
63
688453840200
Nut
Loading…
↗
64
902820401000
Key, strait(663)
Loading…
↗
65
6E5453780000
Nipple, hose
Loading…
↗
66
9044507ME900
Hose (l250)
Loading…
↗
67
6E5835581000
End, nipple
Loading…
↗
68
904651009800
Clamp
Loading…
↗
69
6H1441510000
Cam, shift
Loading…
↗
70
6H1441440000
Rod, shift 2
Loading…
↗
71
932100754000
O-ring (11m)
Loading…
↗
72
990010860000
Circlip(2r6)
Loading…
↗
73
9345007M0000
Circlip (6e5)
Loading…
↗