Yamaha Outboard Parts - Lower Casing & Drive 1 - F4AMH (2000) | Flood Marine
New Search
Parts
New Outboards
Home
F4AMH (2000)
Lower Casing & Drive 1
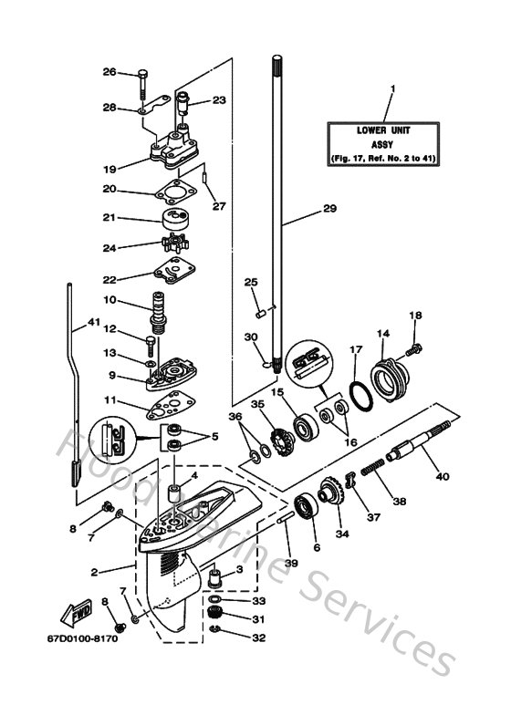
Diagram: Lower Casing & Drive 1
Parts List
Reference
Description
Price
1
67D45300004D
Lower Unit assembly
Loading…
↗
2
6E045311024D
Casing, lower
Loading…
↗
3
6E0453170900
Bushing
Loading…
↗
4
6E0453160900
Bushing
Loading…
↗
5
931011081100
Oil seal
Loading…
↗
6
93306004U000
Bearing (7k2)
Loading…
↗
7
904300802000
Gasket
Loading…
↗
8
9034008M0400
Plug, straight screw
Loading…
↗
9
6E04532101CA
Plate
Loading…
↗
10
6L2441470000
Boot, shift rod
Loading…
↗
11
6E045315A000
Packing,lower casing
Loading…
↗
12
970950602500
Bolt
Loading…
↗
13
929950660000
Washer, plain (646)
Loading…
↗
14
6E045361018D
Cap, lower casing
Loading…
↗
16
9310113M1200
Oil seal
Loading…
↗
17
932104821400
O-ring
Loading…
↗
18
958950601600
Bolt, flange deep recess
Loading…
↗
19
6E0443110000
Housing, water pump
Loading…
↗
20
6E044315A000
Gasket,water pump 1
Loading…
↗
21
6E0443220200
Insert, cartridge
Loading…
↗
22
6E0443230000
Outer plate, cartridge
Loading…
↗
23
67D443660000
Damper, water seal 2
Loading…
↗
24
6E0443520000
Impeller
Loading…
↗
25
936040906600
Pin, dowel
Loading…
↗
26
970800604500
Bolt, hexagon
Loading…
↗
27
936041808000
Pin. dowel. (647)
Loading…
↗
28
6E0443280000
Plate
Loading…
↗
29
6E0455110100
Shaft, drive
Loading…
↗
30
9046708M0100
Clip (6e0)
Loading…
↗
31
6E0455510000
Pinion (13t)
Loading…
↗
32
990010660000
Circlip(53l)
Loading…
↗
33
9020111M4900
Washer, plate (6e0)
Loading…
↗
34
67D455600000
Gear
Loading…
↗
35
67D455700000
Gear
Loading…
↗
36
67D455760000
Washer, thrust 2
Loading…
↗
37
67D456310100
Clutch, dog
Loading…
↗
38
905011006400
Spring, compression 6164563600
Loading…
↗
39
6EEG56350000
Plunger, shift
Loading…
↗
40
67D456110000
Shaft, propeller
Loading…
↗
41
67D441500000
Shift cam assembly
Loading…
↗