Yamaha Outboard Parts - Lower Casing & Drive 1 - F8AMH (1988) | Flood Marine
New Search
Parts
New Outboards
Home
F8AMH (1988)
Lower Casing & Drive 1
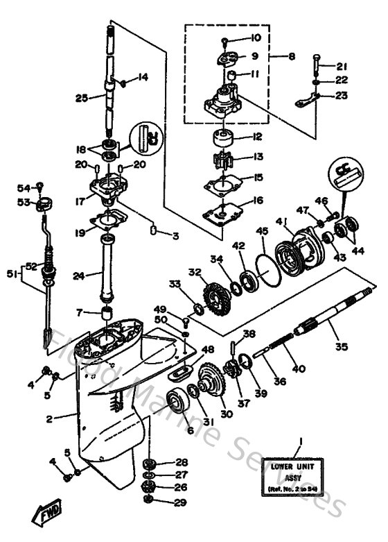
Diagram: Lower Casing & Drive 1
Parts List
Reference
Description
Price
3
936040806200
Pin,dowel (626)
Loading…
↗
4
9034008M0400
Plug, straight screw
Loading…
↗
5
904300802000
Gasket
Loading…
↗
6
933320000500
Brg,cyl-cal roller 0.19g nt
Loading…
↗
7
93315213V400
Bearing Needle (6G8)
Loading…
↗
8
682443000100
Housing water pump assembly
Loading…
↗
9
682443120000
Cover, water pump housing
Loading…
↗
10
977804011200
Screw, pan head tapping
Loading…
↗
11
682443650000
Damper, water seal 1
Loading…
↗
12
682443220000
Insert, cartridge
Loading…
↗
13
682443520100
Impeller
Loading…
↗
14
902800302400
Key, woodruff(662)
Loading…
↗
15
682443150000
Gasket,water pump 1
Loading…
↗
16
682443230000
Outer plate, cartridge
Loading…
↗
17
6G845331009M
Housing, bearing
Loading…
↗
18
931012004800
Oil seal (20x30x6-648)
Loading…
↗
19
6G845315A000
Packing, lower casing
Loading…
↗
20
936061201900
Pin, dowel (614)
Loading…
↗
21
973950604500
Bolt, hexagon
Loading…
↗
22
929900660000
Washer, plain (646)
Loading…
↗
23
682443280000
Plate
Loading…
↗
24
6G8455360000
Sleeve Drive Shaft
Loading…
↗
25
6G8455012000
Drive Shaft Comp
Loading…
↗
26
6G8455510000
Pinion (13T)
Loading…
↗
27
6G8455874000
Washer Thrust (0.5Mm)
Loading…
↗
28
93341313U300
Bearing
Loading…
↗
29
9017908M0600
Nut (6e7)
Loading…
↗
30
6G8455600000
Gear
Loading…
↗
31
626455774000
Shim (t:0.50mm)
Loading…
↗
32
6G8455710000
Gear 2
Loading…
↗
33
902011768200
Washer, plate (2k7)
Loading…
↗
35
6G8456110000
Shaft, propeller
Loading…
↗
36
650456350000
Plunger, shift
Loading…
↗
37
682456310000
Clutch, dog
Loading…
↗
38
902500501000
Pin straight 648456320000
Loading…
↗
39
648456330000
Ring, cross pin
Loading…
↗
40
9050114M0900
Spring, compression
Loading…
↗
41
6G84536100EL
Cap, lower casing set(6g8)
Loading…
↗
42
933060050100
Bearing(1ff)
Loading…
↗
43
93315317U200
Brg,cyl-cal roller 14g (683)
Loading…
↗
44
931011705400
Oil seal (17x30x6-650)
Loading…
↗
45
9321074M6800
O-ring (6g8)
Loading…
↗
46
973950602000
Bolt(7u8)
Loading…
↗
48
677452510000
Anode
Loading…
↗
49
973950601600
Bolt, hexagon deep recess
Loading…
↗
51
6G8441502000
Shift Cam assembly
Loading…
↗
52
682441470000
Boot, shift rod
Loading…
↗
53
682441760000
Bracket
Loading…
↗
54
977805051000
Screw, tapping(6u1)
Loading…
↗