Yamaha Outboard Parts - Lower Casing & Drive 1 - F8BMH (1989) | Flood Marine
New Search
Parts
New Outboards
Home
F8BMH (1989)
Lower Casing & Drive 1
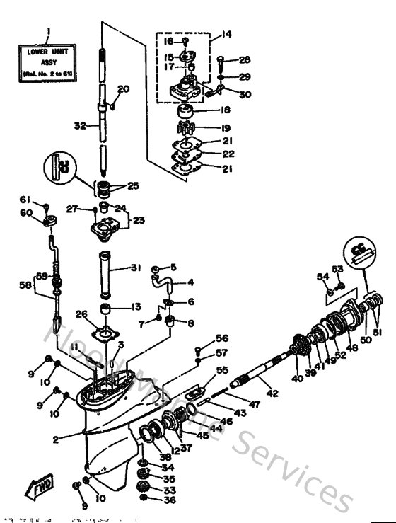
Diagram: Lower Casing & Drive 1
Parts List
Reference
Description
Price
3
936040806200
Pin,dowel (626)
Loading…
↗
4
683443620100
Tube, water 2
Loading…
↗
5
683443650100
Damper, water seal 1
Loading…
↗
6
683443730000
Set plate, water tube
Loading…
↗
7
973950601000
Bolt
Loading…
↗
8
6E7443660000
Damper, water seal 2
Loading…
↗
9
9034008M0400
Plug, straight screw
Loading…
↗
10
904300802000
Gasket
Loading…
↗
11
682453760100
Guide, seal damper
Loading…
↗
12
933320000500
Brg,cyl-cal roller 0.19g nt
Loading…
↗
13
93315314V800
Bearing, needle (6e7)
Loading…
↗
14
682443000100
Housing water pump assembly
Loading…
↗
15
682443120000
Cover, water pump housing
Loading…
↗
16
977804011200
Screw, pan head tapping
Loading…
↗
17
682443650000
Damper, water seal 1
Loading…
↗
18
682443220000
Insert, cartridge
Loading…
↗
19
682443520300
Impeller
Loading…
↗
20
902800302400
Key, woodruff(662)
Loading…
↗
21
682443150000
Gasket,water pump 1
Loading…
↗
22
682443230000
Outer plate, cartridge
Loading…
↗
23
6E74533100CA
Housing, bearing
Loading…
↗
24
626453160900
Bushing, drive shaft 1
Loading…
↗
25
931012004800
Oil seal (20x30x6-648)
Loading…
↗
26
683453150000
Packing,lower casing
Loading…
↗
27
936061201900
Pin, dowel (614)
Loading…
↗
28
970950604000
Bolt (682)
Loading…
↗
29
929900660000
Washer, plain (646)
Loading…
↗
30
682443280000
Plate
Loading…
↗
31
6E7455360000
Sleeve, drive shaft
Loading…
↗
32
6G9455011100
Drive shaft comp.
Loading…
↗
33
6E7455510000
Pinion
Loading…
↗
34
6E7455870150
Shim 3
Loading…
↗
35
93341214U100
Bearing, thrust (6e7)
Loading…
↗
36
9017908M0600
Nut (6e7)
Loading…
↗
37
6E7455600100
Gear
Loading…
↗
38
664455676000
Shim (t:0.50mm)
Loading…
↗
39
6E7455710000
Gear 2
Loading…
↗
40
902011768200
Washer, plate (2k7)
Loading…
↗
41
626455770001
Shim (t:0.10mm)
Loading…
↗
42
683456110000
Shaft propeller
Loading…
↗
43
650456350000
Plunger, shift
Loading…
↗
45
902500501000
Pin straight 648456320000
Loading…
↗
46
648456330000
Ring, cross pin
Loading…
↗
47
9050114M0600
Spring, compression
Loading…
↗
48
6834536100EJ
Cap, lower casing set (683)
Loading…
↗
49
933060051900
Bearing(1ff)
Loading…
↗
50
93315317U200
Brg,cyl-cal roller 14g (683)
Loading…
↗
51
931011705400
Oil seal (17x30x6-650)
Loading…
↗
52
9321057M0900
O-ring (683)
Loading…
↗
53
970800602000
Bolt(7u8)
Loading…
↗
55
6E0452511100
Anode
Loading…
↗
56
973950601600
Bolt, hexagon deep recess
Loading…
↗
58
6G9441500000
Shift Cam assembly
Loading…
↗
59
682441760000
Bracket
Loading…
↗
61
977805051000
Screw, tapping(6u1)
Loading…
↗