Yamaha Outboard Parts - Lower Casing & Drive 1 - L140BETOL (1989) | Flood Marine
New Search
Parts
New Outboards
Home
L140BETOL (1989)
Lower Casing & Drive 1
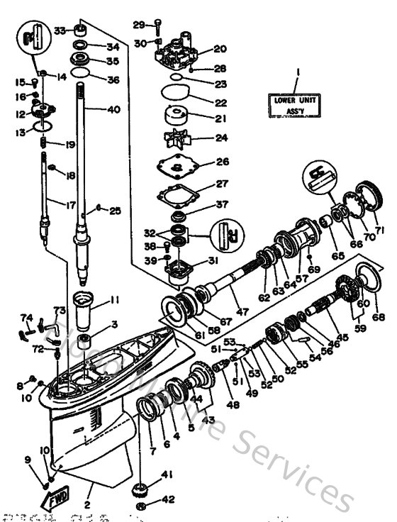
Diagram: Lower Casing & Drive 1
Parts List
Reference
Description
Price
2
6E54530105EJ
Casing, Lower
Loading…
↗
3
93315628U900
Brg,cyl-cal roller (6e5)
Loading…
↗
6
6L6455380000
Spacer, 1
Loading…
↗
8
903400800200
Plug, straight screw
Loading…
↗
9
688453310000
Housing, Bearing
Loading…
↗
10
904300802000
Gasket
Loading…
↗
11
6E5455360000
Sleeve, drive shaft
Loading…
↗
12
6E5453210000
Plate
Loading…
↗
13
932105867700
O-ring(47x)
Loading…
↗
14
931060901400
Oil seal
Loading…
↗
15
973950602000
Bolt(7u8)
Loading…
↗
16
9020906M0400
Washer
Loading…
↗
17
6L6441500000
Shift cam assembly
Loading…
↗
18
990010860000
Circlip(2r6)
Loading…
↗
19
9050111M1000
Spring, compression (663)
Loading…
↗
20
6E5443110000
Housing, water pump
Loading…
↗
21
6E5443220000
Insert, cartridge
Loading…
↗
22
9321086M3800
O-ring (6e5)
Loading…
↗
23
932103716000
O-ring (6g8)
Loading…
↗
24
6E5443520100
Impeller
Loading…
↗
25
9028004M0500
Key, woodruff (6e5)
Loading…
↗
26
6E5443230000
Outer plate, cartridge
Loading…
↗
27
6E5443150000
Gasket,water pump
Loading…
↗
28
936061201900
Pin, dowel (614)
Loading…
↗
29
970950804500
Bolt, hexagon
Loading…
↗
30
9020908M0200
Washer, plate (688)
Loading…
↗
31
6E5453310094
Housing, bearing
Loading…
↗
32
9310128M1600
Oil seal (6e5)
Loading…
↗
34
6E5455870130
Shim (t:0.30mm)
Loading…
↗
35
93341930U000
Bearing, thrust(64d)
Loading…
↗
36
932105453400
O-ring (70e)
Loading…
↗
37
6E5453440000
Cover, oil seal
Loading…
↗
38
973950802500
Bolt (62g)
Loading…
↗
39
929900860000
Washer, plain (663)
Loading…
↗
40
6E5455012000
Drive shaft comp.
Loading…
↗
41
6E5455510200
Pinion
Loading…
↗
42
9017016M0100
Nut, hexagon (688)
Loading…
↗
43
6L6455600000
Gear
Loading…
↗
44
93315425U700
Brg,cyl-cal roller (6e5)
Loading…
↗
45
6K1456110000
Shaft, Propeller
Loading…
↗
46
9020126M0000
Washer, plate(6k0)
Loading…
↗
47
6L6456112000
Shaft, Propeller
Loading…
↗
48
6K1456410000
Shifter
Loading…
↗
49
6E5456340100
Slide, shift
Loading…
↗
50
9050116M3700
Spring (6g5)
Loading…
↗
51
935073203100
Ball (12r)
Loading…
↗
52
935113202700
Ball (498)
Loading…
↗
53
935031601000
Ball
Loading…
↗
54
9025008M0700
Pin, straight (6g5)
Loading…
↗
55
6E5456310100
Clutch, dog
Loading…
↗
56
6E5456330100
Ring, cross pin
Loading…
↗
57
6L6453320094
Housing, bearing
Loading…
↗
58
93332000V700
Bearing(6l6)
Loading…
↗
59
6L6455700000
Gear 2 (26T)
Loading…
↗
60
93315430V500
Bearing, cylindrical(6k0)
Loading…
↗
61
6L6455760000
Washer, thrust
Loading…
↗
62
93341440U500
Bearing, thrust (6k0)
Loading…
↗
63
6K1455780130
Shim (t:0.30mm)
Loading…
↗
64
93315440V600
Bearing, cylindrical(6k0)
Loading…
↗
65
933154306100
Bearing
Loading…
↗
66
9310130M1700
Oil seal (6e5)
Loading…
↗
67
9321086M3900
O-ring (6e5)
Loading…
↗
68
6L6455770030
Shim (t:0.30mm)
Loading…
↗
69
902820401000
Key, strait(663)
Loading…
↗
70
688453830200
Washer, claw
Loading…
↗
72
6E5453780000
Nipple, hose
Loading…
↗
73
9044507ME900
Hose (l250)
Loading…
↗
74
6E5835581000
End, nipple
Loading…
↗