Yamaha Outboard Parts - Lower Casing & Drive 1 - L150AETOL (1989) | Flood Marine
New Search
Parts
New Outboards
Home
L150AETOL (1989)
Lower Casing & Drive 1
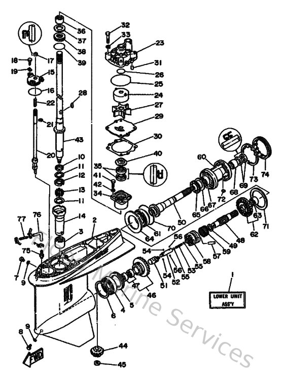
Diagram: Lower Casing & Drive 1
Parts List
Reference
Description
Price
2
6J94530101EJ
Casing Lower
Loading…
↗
3
93311928U500
Bearing, needle (6g5)
Loading…
↗
4
93390000U200
Bearing(6k0)
Loading…
↗
5
93341465U400
Bearing, thrust (6k0)
Loading…
↗
6
6G5455670130
Shim (t:0.30mm)
Loading…
↗
7
903400800200
Plug, straight screw
Loading…
↗
8
688453410000
Plug, drain
Loading…
↗
9
904300802000
Gasket
Loading…
↗
10
9020933M1200
Washer
Loading…
↗
11
9020933M1300
Washer
Loading…
↗
12
9038733M0000
Collar
Loading…
↗
13
9050105M6400
Spring, Compression
Loading…
↗
14
6G5455360100
Sleeve, drive shaft
Loading…
↗
15
6E5453210000
Plate
Loading…
↗
16
932105867700
O-ring(47x)
Loading…
↗
17
931060901400
Oil seal
Loading…
↗
18
973950602000
Bolt(7u8)
Loading…
↗
19
9020906M0400
Washer
Loading…
↗
20
6K1441500000
Shift cam assembly
Loading…
↗
21
990010860000
Circlip(2r6)
Loading…
↗
22
9050111M1000
Spring, compression (663)
Loading…
↗
23
6E5443110000
Housing, water pump
Loading…
↗
24
6E5443220000
Insert, cartridge
Loading…
↗
25
9321086M3800
O-ring (6e5)
Loading…
↗
26
9321037M6700
O-ring (6g8)
Loading…
↗
27
6E5443520000
Impeller
Loading…
↗
28
9028004M0500
Key, woodruff (6e5)
Loading…
↗
29
6G5443230100
Outer plate, cartridge
Loading…
↗
30
6E5443150000
Gasket,water pump
Loading…
↗
31
936061201900
Pin, dowel (614)
Loading…
↗
32
973950804500
Bolt, hexagon
Loading…
↗
33
9020908M0200
Washer, plate (688)
Loading…
↗
34
6E545331009S
Housing, bearing
Loading…
↗
35
9310128M1600
Oil seal (6e5)
Loading…
↗
36
93317330U200
Bearing, cylindrical(6k0)
Loading…
↗
37
6E5455870130
Shim (t:0.30mm)
Loading…
↗
38
93341930U000
Bearing, thrust(64d)
Loading…
↗
39
932105453400
O-ring (70e)
Loading…
↗
40
6E5453440000
Cover, oil seal
Loading…
↗
41
973950802500
Bolt (62g)
Loading…
↗
42
929900860000
Washer, plain (663)
Loading…
↗
43
6G5455012200
Drive shaft comp.
Loading…
↗
44
6G5455510000
Pinion
Loading…
↗
45
9017016M0100
Nut, hexagon (688)
Loading…
↗
46
6K1455600000
Gear
Loading…
↗
47
93315425V300
Bearing, needle (6g5)
Loading…
↗
48
6K1456110000
Shaft, Propeller
Loading…
↗
49
9020126M0000
Washer, plate(6k0)
Loading…
↗
50
6K1456112900
Shaft Propeller
Loading…
↗
51
6K1456410000
Shifter
Loading…
↗
52
6E5456340100
Slide, shift
Loading…
↗
53
9050116M3700
Spring (6g5)
Loading…
↗
54
935073203100
Ball (12r)
Loading…
↗
55
935113202700
Ball (498)
Loading…
↗
56
935031601000
Ball
Loading…
↗
57
9025008M0700
Pin, straight (6g5)
Loading…
↗
58
6G5456311000
Clutch, dog
Loading…
↗
59
6E5456330100
Ring, cross pin
Loading…
↗
60
6K1453320194
Housing, bearing
Loading…
↗
61
933320004800
Bearing(6k0)
Loading…
↗
62
6K1455700000
Gear
Loading…
↗
63
93315430V500
Bearing, cylindrical(6k0)
Loading…
↗
64
6K1455760000
Washer, thrust
Loading…
↗
65
93341440U500
Bearing, thrust (6k0)
Loading…
↗
66
6K1455780130
Shim (t:0.30mm)
Loading…
↗
67
93315440V600
Bearing, cylindrical(6k0)
Loading…
↗
68
933154306100
Bearing
Loading…
↗
69
9310130M1700
Oil seal (6e5)
Loading…
↗
70
9321097M5500
O-ring (6g5)
Loading…
↗
71
6G5455770230
Shim (t:0.30mm)
Loading…
↗
72
9028204M0000
Key, straight(6g5)
Loading…
↗
73
6G5453830100
Washer, claw
Loading…
↗
74
6G5453840000
Nut
Loading…
↗
75
6E5453780000
Nipple, hose
Loading…
↗
76
9044507ME800
Hose (l250)
Loading…
↗
77
6E5835581000
End, nipple
Loading…
↗