Yamaha Outboard Parts - Lower Casing & Drive 2 - 200CETOL (1993) | Flood Marine
New Search
Parts
New Outboards
Home
200CETOL (1993)
Lower Casing & Drive 2
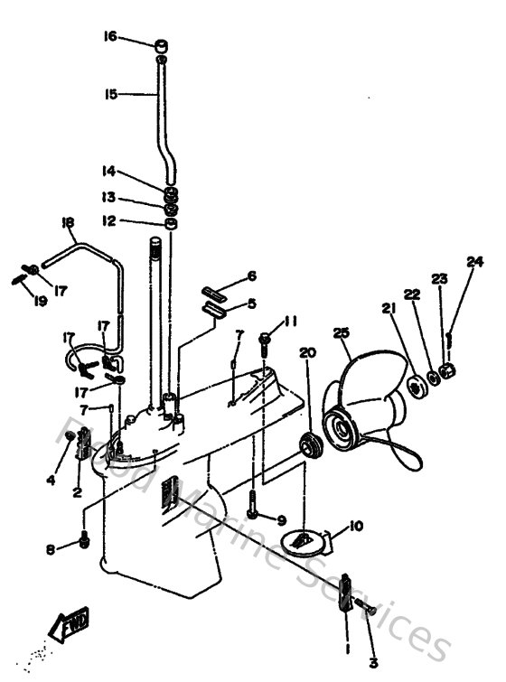
Diagram: Lower Casing & Drive 2
Parts List
Reference
Description
Price
1
6J9452140000
Cover, water inlet
Loading…
↗
2
6J9452150000
Cover, water inlet
Loading…
↗
3
9014205M0400
Screw, countersunk
Loading…
↗
4
901850590400
Nut nylon (sus)(ex4)
Loading…
↗
5
663453760094
Guide, seal damper
Loading…
↗
6
688453750000
Damper, seal 2
Loading…
↗
7
9360812M0500
Pin, dowel b (6e5)
Loading…
↗
8
9010110M7000
Bolt(6j9)
Loading…
↗
9
9011910M8900
Bolt, with washer
Loading…
↗
10
6J9453710100
Tab-trim
Loading…
↗
11
9010510M0000
Bolt, hexagon (663)
Loading…
↗
12
6E5443650000
Damper, water seal 1
Loading…
↗
13
6E5443120000
Cover, water pump housing
Loading…
↗
14
6E5443660000
Damper, water seal 2
Loading…
↗
15
6E5443610000
Tube, water
Loading…
↗
17
904651009800
Clamp
Loading…
↗
18
9044507MF000
Hose (l1160)
Loading…
↗
19
6E5835580000
End, nipple
Loading…
↗
20
6E5459870000
Spacer 1
Loading…
↗
21
688459970100
Spacer 2
Loading…
↗
22
929901820000
Washer (6e5)
Loading…
↗
23
9017118M0400
Nut, castle (6e5)
Loading…
↗
24
914904003000
Pin, cotter (663)
Loading…
↗
25
6J9459700100
Ss Prop.14-1/2X25 (3X14-1/2""x25""-M)
Loading…
↗