Yamaha Outboard Parts - Lower Casing & Drive 2 - 200FETOL (2000) | Flood Marine
New Search
Parts
New Outboards
Home
200FETOL (2000)
Lower Casing & Drive 2
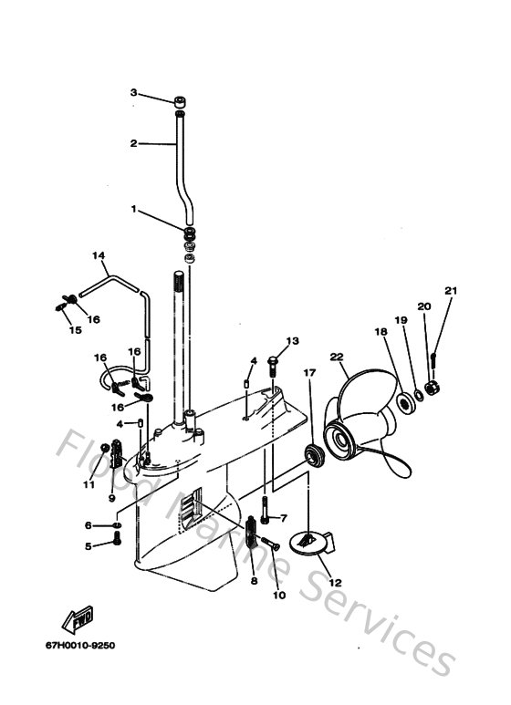
Diagram: Lower Casing & Drive 2
Parts List
Reference
Description
Price
1
6E5443660000
Damper, water seal 2
Loading…
↗
2
6E5443610000
Tube, water
Loading…
↗
3
6E5443650000
Damper, water seal 1
Loading…
↗
4
9360812M0500
Pin, dowel b (6e5)
Loading…
↗
5
970751004500
Bolt(64d)
Loading…
↗
6
929951010000
Ybs67-10 washer, spring
Loading…
↗
7
9011910M8900
Bolt, with washer
Loading…
↗
8
6J9452140000
Cover, water inlet
Loading…
↗
9
6J9452150000
Cover, water inlet
Loading…
↗
10
9015205M0800
Screw, countersunk
Loading…
↗
11
901850500200
Nut nylon (sus)(ex4)
Loading…
↗
12
6J9453710100
Tab-trim
Loading…
↗
13
9010510M0000
Bolt, hexagon (663)
Loading…
↗
14
9044507M2100
Hose (l1160)
Loading…
↗
15
6E5835580000
End, nipple
Loading…
↗
16
9046511M1000
Clamp
Loading…
↗
17
63P459870000
Spacer 1
Loading…
↗
18
688459970100
Spacer 2
Loading…
↗
19
929901820000
Washer (6e5)
Loading…
↗
20
9017118M0400
Nut, castle (6e5)
Loading…
↗
21
914904003000
Pin, cotter (663)
Loading…
↗
22
6G5459760100
Propeller (3x13-3/8"x23"-m)
Loading…
↗