Yamaha Outboard Parts - Lower Casing & Drive 2 - 25DMH (1985) | Flood Marine
New Search
Parts
New Outboards
Home
25DMH (1985)
Lower Casing & Drive 2
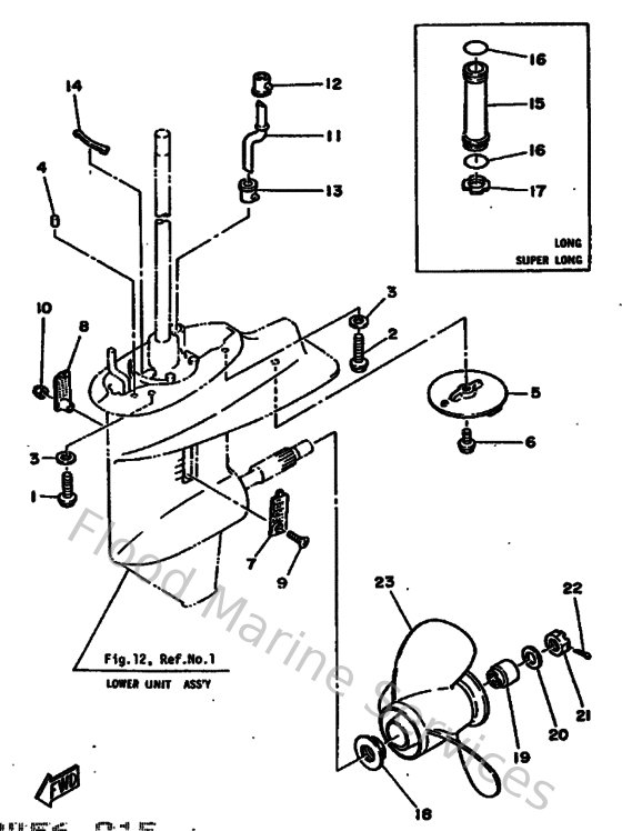
Diagram: Lower Casing & Drive 2
Parts List
Reference
Description
Price
1
901051005900
Bolt washer based (664)
Loading…
↗
2
9010510M1200
Bolt (689)
Loading…
↗
3
929901060000
Washer, plate
Loading…
↗
4
936061201900
Pin, dowel (614)
Loading…
↗
5
664453710100
Tab-trim
Loading…
↗
6
9010508M0200
Bolt hexagon
Loading…
↗
7
689452140100
Cover, water inlet 1
Loading…
↗
8
689452150100
Cover Water Inlet 2
Loading…
↗
9
986800552500
Ybs53-525 screw,flat head
Loading…
↗
10
901850500200
Nut nylon (sus)(ex4)
Loading…
↗
11
689443612000
Tube, Water 1
Loading…
↗
12
689443660000
Damper, water seal 2
Loading…
↗
13
626443650100
Damper, water seal 1
Loading…
↗
14
689443140000
Spacer
Loading…
↗
15
689443620094
Tube, Water 2
Loading…
↗
16
932102624000
O-ring
Loading…
↗
17
689443280200
Plate
Loading…
↗
18
664459870000
Spacer
Loading…
↗
19
689459970000
Spacer
Loading…
↗
20
929901420000
Washer, plain
Loading…
↗
21
901711401300
Nut(664)
Loading…
↗
22
914903003000
Pin, cotter
Loading…
↗
23
664459520036
Propeller (3x9-7/8 x14 -f)
Loading…
↗