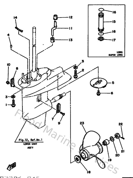
Yamaha Outboard Parts - Lower Casing & Drive 2 - 25DMH (1986) | Flood Marine

Diagram: Lower Casing & Drive 2

Diagram