Yamaha Outboard Parts - Lower Casing & Drive 2 - 75AE (1990) | Flood Marine
New Search
Parts
New Outboards
Home
75AE (1990)
Lower Casing & Drive 2
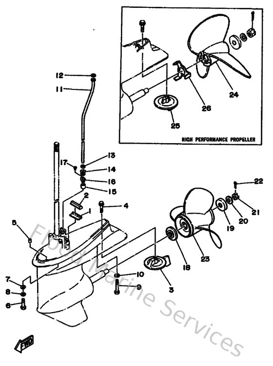
Diagram: Lower Casing & Drive 2
Parts List
Reference
Description
Price
1
663453760094
Guide, seal damper
Loading…
↗
2
688453750000
Damper, seal 2
Loading…
↗
4
9010510M0000
Bolt, hexagon (663)
Loading…
↗
5
936061201900
Pin, dowel (614)
Loading…
↗
6
970751004000
Bolt, hexagon deep recess
Loading…
↗
7
929901060000
Washer, plate
Loading…
↗
8
929901010000
Ybs67-10 washer, spring
Loading…
↗
9
970950806000
Bolt, hexagon
Loading…
↗
10
929900810000
Ybs67-8 washer, spring
Loading…
↗
11
688443611000
Tube, water 1
Loading…
↗
12
902021206000
Washer, plate(663)
Loading…
↗
13
904301207200
Gasket
Loading…
↗
14
663443670000
Damper, water seal 3
Loading…
↗
15
663443660000
Damper, water seal 2
Loading…
↗
16
9048019M0600
Grommet (688)
Loading…
↗
17
977804011200
Screw, pan head tapping
Loading…
↗
18
688459870100
Spacer
Loading…
↗
19
688459970100
Spacer 2
Loading…
↗
20
9020117M0000
Washer, plate(6h1)
Loading…
↗
21
901711601100
Nut, castle (663)
Loading…
↗
22
914904003000
Pin, cotter (663)
Loading…
↗
23
6E54595200EL
Propeller (3x13"x23"-k)
Loading…
↗
24
6E5459781000
Propeller assembly (3x14"x26"-p)
Loading…
↗
25
6E5453711000
Tab-trim
Loading…
↗
26
6E5459941000
Plate, tooth
Loading…
↗