Yamaha Outboard Parts - Lower Casing & Drive 2 - F8BMH (1991) | Flood Marine
New Search
Parts
New Outboards
Home
F8BMH (1991)
Lower Casing & Drive 2
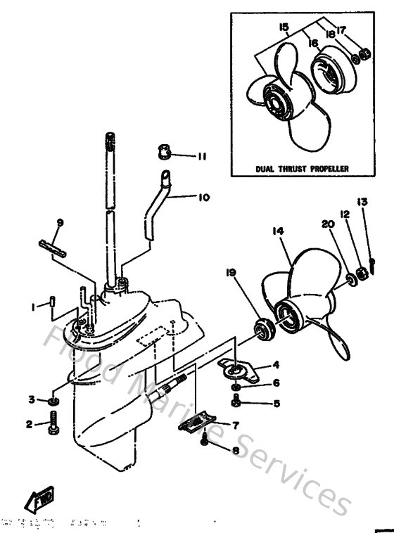
Diagram: Lower Casing & Drive 2
Parts List
Reference
Description
Price
1
936061201900
Pin, dowel (614)
Loading…
↗
2
970900803500
Bolt(70w)
Loading…
↗
3
929900860000
Washer, plain (663)
Loading…
↗
4
6E8452510200
Anode
Loading…
↗
5
973950602000
Bolt(7u8)
Loading…
↗
6
929900660000
Washer, plain (646)
Loading…
↗
7
6E7452140000
Cover, water inlet
Loading…
↗
8
985800501200
Screw,pan head (646)
Loading…
↗
9
682453750100
Damper, seal
Loading…
↗
10
6G9443610000
Tube, Water 1
Loading…
↗
11
626443650100
Damper, water seal 1
Loading…
↗
12
9017110M0100
Nut castle (683)
Loading…
↗
13
914903002000
Pin cotter
Loading…
↗
14
683459520000
Propeller (3X9-1/4"x9-3/4"-J)
Loading…
↗
15
683W45920200
Propeller (3x9-3/4"x6-1/2"-j)
Loading…
↗
16
6E7459860000
Ring, deflector
Loading…
↗
17
9017110M0700
Nut, castle(6g8)
Loading…
↗
18
9020110M0200
Washer, plate(6g9)
Loading…
↗
19
6E7459870100
Spacer
Loading…
↗
20
9020110M0100
Washer, plate(6m7)
Loading…
↗